Nibe ECS lisa küttesüsteem
Nibe ECS lisa küttesüsteem
Lugemata postitus Postitas Tiak »
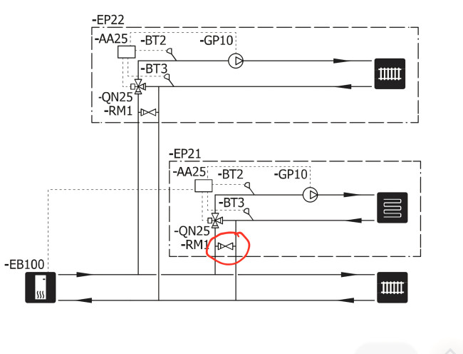
Nimelt, Nibe ECS lisa küttesüsteemi jooniseid on kahte varianti,
vanema joonise peal ei kasutata lisasüsteemi siseneva ja väljuva toru vahel ühe suuna klappi, uuemal on see aga lisatud (joonisel "RM1").
Tehniliselt tundub uuem ja vamem komplekt täpselt sama olevat, ainult uuemal on värskemad pumba ja 3-t ventiili ajami mudelid kaasas.
Mind huvitabki, mis ülesannet võiks antud aüsteemis ühe suuna klapp omada?
Lisan siia ka jooniste pildid.
-
kunn24
- Ehituspenskar

- Postitusi: 4548
- Liitunud: 11 Veebr 2018, 14:45
- On tänanud: 49 korda
- On tänatud: 149 korda
Re: Nibe ECS lisa küttesüsteem
Lugemata postitus Postitas kunn24 »
Kui vaja korraga kütta radikaid ja põrandat, saab need ühendada ilma mingi segistamiseta jadasse. 1 tsirkulatsioonipump ja asi lahendatud. Eelduseks on, et mõlemad võimaldavad läbi lasta sama veevoolu või tuleb ahtamale ahelale panna paralleeli reguleeritav möödaviik. Miks on vaja arulagedalt kola kokku osta ja paika toppida, on mulle arusaamatu. Soojuspumba sabas tuleb radiaatorid nagunii dimensioneerida madalamale temperatuurile, näiteks 55/40 või 55/35. Ja sellise temeperatuuriga (40 või 35) vee võib saata edasi põrandasse. Lisan pildi oma kondens- gaasikatla sabas asuvast "segistussõlmest". Sellele on ka nõutud madalatemperatuuriline soojuskandja. Lihtne, loogiline ja toimib.
Kas alumine skeemiosa tähendab tõesti, et tarbevett lastakse ka küttesüsteemi? Teisiti ma sellest ei suuda aru saada.
Ja ühesuunaklapile vaja anda seletus, mis pidi jookseb läbi, mis pidi mitte. Ilma täpse seletuseta neid on mõttetu mõistada. Silmas tuleb pidada seda, et kui lahendus näib kahtlane, siis ta ka praktikas seda on. Iga liigne jubin veesüsteemi ahelas tähendab seda, et kui mingi jama, siis kitkud kuskilt karvu. Viide, milline peab selle klapi sümbol joonisel olema. https://www.tangovalve.com/non-return-v ... g-drawings
2:0 juba, et joonis on pullivendade tehtud.
Siin pilt mu "segistussõlmest", R-radikate möödaviik, P- põrandate möödaviik.
-
Urmas
- autodidakt
- Postitusi: 13626
- Liitunud: 17 Apr 2009, 23:51
- On tänanud: 415 korda
- On tänatud: 453 korda
Re: Nibe ECS lisa küttesüsteem
Lugemata postitus Postitas Urmas »
Geneetilisel kiilakal on vist ainult üks variant, kust karvu kitkuda?kunn24 kirjutas: 01 Okt 2025, 22:34 Iga liigne jubin veesüsteemi ahelas tähendab seda, et kui mingi jama, siis kitkud peast ja p..st karvu.
Re: Nibe ECS lisa küttesüsteem
Lugemata postitus Postitas Tiak »
kunn24-> ilmselgelt pole tarbeveel kütteveega mingit pistmist ja seda ka skeemi osa ju ei näita. Piltidel on see osa skeemist, mis puudutab lisasüsteeme.
Skeemidel on alandatud temeratuuridega lisasüsteemid ja pumba asukoht temperatuuri mõttes on ebaoluline.
Siiski siiski, sümbol sõltub kasutatud standardist.
Nojah...eks asju saab lahendada mitut moodi ja seda ei oska ma hinnata, kas teie pildil olev moodustis on kuidagi ka muus mõttes, kui kasutatud komponentide kogu hind ja lihtsud, mõistlkum lahendus kui Nibe ECS lahendus.
-
kunn24
- Ehituspenskar

- Postitusi: 4548
- Liitunud: 11 Veebr 2018, 14:45
- On tänanud: 49 korda
- On tänatud: 149 korda
Re: Nibe ECS lisa küttesüsteem
Lugemata postitus Postitas kunn24 »
-
Coolhouse
- Ehitusveteran

- Postitusi: 1082
- Liitunud: 12 Sept 2008, 14:19
- On tänanud: 1 korda
- On tänatud: 30 korda
Re: Nibe ECS lisa küttesüsteem
Lugemata postitus Postitas Coolhouse »
See klapp mis joonisel kaitseb soojuspumba ringluspumpa ja ka soojuspumpa olukorras kui kõik radiaatorite termostaadid on suletud ning küttevee rõhk pealejooksul peaks tõusma. Siis see ventiil RM1 avaneb ning laseb vee otse pealejooksult tagasijooksu torusse.
Parim lahendus on et soojuspump annab soojuse paaki ja paagist iga tarbija võtab vastavalt vajadusele.
Sellised skeemid kus soojuspumbast läbi käiva vee ringlus võib täiesti sulguda võivad väga ebameeldiva lõpuga olla.
Müük, hooldus. info@coolhouse.ee
-
kunn24
- Ehituspenskar

- Postitusi: 4548
- Liitunud: 11 Veebr 2018, 14:45
- On tänanud: 49 korda
- On tänatud: 149 korda
Re: Nibe ECS lisa küttesüsteem
Lugemata postitus Postitas kunn24 »
Tagasilöögiklapp ei paku mingit ülerõhu kaitset. Sinu kirjeldatud tööskeemiga klappidest on mul ülevalpool pilt, kui oskad neid ära tunda. Nibe soojuspumba klassikaline küttega ühendusskeem, võetud seadme juhendist:
- Nibe1.PNG (5.2 KiB) Vaadatud 6816 korda
-
Coolhouse
- Ehitusveteran

- Postitusi: 1082
- Liitunud: 12 Sept 2008, 14:19
- On tänanud: 1 korda
- On tänatud: 30 korda
Re: Nibe ECS lisa küttesüsteem
Lugemata postitus Postitas Coolhouse »
See ongi tagasilöögi klapp aga tal on vedru taga ja selle vedru survet saab seadistada st. rõhku millel klapp avaneb saab seadistada.
Klapp on pealejooksu ja tagasijooksu vahel paralleelselt radiaatoritega.
(mina pole seda välja mõelnud).
Müük, hooldus. info@coolhouse.ee
-
kunn24
- Ehituspenskar

- Postitusi: 4548
- Liitunud: 11 Veebr 2018, 14:45
- On tänanud: 49 korda
- On tänatud: 149 korda
Re: Nibe ECS lisa küttesüsteem
Lugemata postitus Postitas kunn24 »
Bypass valve ehk relief valve- on paralleelselt ahelaga rõhu piiramiseks ja vedeliku möödalaskmiseks piiraval rõhul. Sellel on klapi avanemise vastupanuks kas vedru või raskus. Ka mu pildil Nibe1 on Bypass valve ja samuti mu ülevalpool pandud piltidel. Tunduvad sarnased, aga hüdraulikamaailmas hoitakse neil vahe sees. Esimesel on normaaltalitlusel üldjuhul klapp lahti, teisel kinni.
Nibe skeeme veidi uurides leidsin ka antud teema tingmärgile noole juurde. Tingmärk tundub olema siiski Nibe enda leiutis, mitte mingi standardi kohane.
- Nibe3.PNG (12.52 KiB) Vaadatud 6799 korda
Re: Nibe ECS lisa küttesüsteem
Lugemata postitus Postitas Tiak »
PS. ei ole müügimees, üritan seda aretist endale kokku panna ja aru saada, miks see klapp seal on
-
kunn24
- Ehituspenskar

- Postitusi: 4548
- Liitunud: 11 Veebr 2018, 14:45
- On tänanud: 49 korda
- On tänatud: 149 korda
Re: Nibe ECS lisa küttesüsteem
Lugemata postitus Postitas kunn24 »
Re: Nibe ECS lisa küttesüsteem
Lugemata postitus Postitas Tiak »
Üks targema inimese selgitus selle klapi kohta on, et kui on 2 tsirk. pumpa, pannakse tagasilöögiklapid, et üks tsirk. pump ei lööks läbi teise süsteemi tagasivoolu.
Ah...panin selle klapi siis vahele, kaasas olnud skeemi peal ta olemas ju on, ilmselt siis mingis situatsioonis on hea, kui olemas on. Ja kui mingi jant hakkab, siis on esimene asi, mida kontrollida
- Ehitusfoorum
- ↳ Üldfoorum
- ↳ Ahjud, kaminad, korstnad
- ↳ Aiad, väravad
- ↳ Aknad, uksed
- ↳ Betoon ja betoonitooted
- ↳ Ehitustööriistad
- ↳ Ehitusmaterjalid
- ↳ Elekter, elektriseadmed
- ↳ Energiamärgis ja energiaaudit
- ↳ Fassaadide arutelu
- ↳ Katused, laed
- ↳ Hüdroisolatsioon
- ↳ Kaevud
- ↳ Konstruktsioonid, seinad
- ↳ Küttesüsteemid
- ↳ Palkmajad
- ↳ Projekteerimine, projektid
- ↳ Põrandad
- ↳ Puit ja puidutooted
- ↳ Restaureerimine
- ↳ Seadusandlus
- ↳ Soojustus, isolatsioon
- ↳ Saunad, dussiruumid, vannitoad, sanitaartehnika
- ↳ Siseviimistlus, värvid, plaatimistööd
- ↳ Ventilatsioon
- ↳ Veevarustus, kanalisatsioon, käimlad
- ↳ Vundamendid
- ↳ Naljanurk
- ↳ Arhiiv
- Ärifoorumid
- ↳ Otsin tööd
- ↳ Pakun tööd
- ↳ Ostu-müügifoorum
- ↳ Annan/võtan rendile
- ↳ Hinnapäring
