Jaotuskilbi kaabli valik
Siia ei postita ostu-müügi kuulutusi!
-
- Uus kasutaja
- Postitusi: 13
- Liitunud: 19 Jaan 2025, 23:16
Jaotuskilbi kaabli valik
Postitus Postitas elektrihuvi »
Äkki näeb keegi olukorras varianti, et teha nõuetekohane jaotuskilp ilma kaablit vahetamata.
Hetkel tuleb ehitusjärgus majale 5g4 maakaabel õuest arvestikilbist, liitumine 3x20A. Liitumispunkt posti otsas. Maakaabel 45 meetrit, mis arvutuse kohaselt annab juba 3.3 % pingelangu. Mina ei näe varianti muud kui vahetada see kaabel 4G16 vast.
Näiteks kuidas saaks muidu lahendada maanduslati kilbis kui pen sisse ei tule. Ventilatsioon seadmele oleks ka vajalik potensiaalühtlustus luua.
Kas on kellegil kogemus, et oleks nõuetekohane variant jättä jaotuskilbis kohe Null eraldi ja PE külge ühendada maanduslatt, potensiaalühtlustus, kordusmaandus? Seda enam et kaabli pikkus juba nii suur.
Hetkel tuleb ehitusjärgus majale 5g4 maakaabel õuest arvestikilbist, liitumine 3x20A. Liitumispunkt posti otsas. Maakaabel 45 meetrit, mis arvutuse kohaselt annab juba 3.3 % pingelangu. Mina ei näe varianti muud kui vahetada see kaabel 4G16 vast.
Näiteks kuidas saaks muidu lahendada maanduslati kilbis kui pen sisse ei tule. Ventilatsioon seadmele oleks ka vajalik potensiaalühtlustus luua.
Kas on kellegil kogemus, et oleks nõuetekohane variant jättä jaotuskilbis kohe Null eraldi ja PE külge ühendada maanduslatt, potensiaalühtlustus, kordusmaandus? Seda enam et kaabli pikkus juba nii suur.
-
- Ehituspenskar
- Postitusi: 6028
- Liitunud: 28 Jaan 2016, 10:35
- On tänanud: 112 korda
- On tänatud: 292 korda
Re: Jaotuskilbi kaabli valik
Milleks muretsemine?Kalvis kirjutas: 18 Okt 2025, 10:26 Hirmul on suured silmad, ma selle pingelangu pärast ei muretseks.
Mina ei näe selles segases mõtteveeretuses mingit muret, sest ühtegi küsilauset see ju ei sisalda.

Kõik ohutustehnika reeglid on kirjutatud kellegi verega!!!
-
- Uus kasutaja
- Postitusi: 13
- Liitunud: 19 Jaan 2025, 23:16
Re: Jaotuskilbi kaabli valik
Postitus Postitas elektrihuvi »
Küsin siis natuke teistmoodi. Kas keegi on ehitanud taolise kilbi ja läbinud ka auditi uuel majal? Maja jaotuskilpi tuleb 5G4 kaabel. Kuna PEN kaablit pole, siis kuidas ehitada välja maanduslatt ja potensiaalühtlustus latt? Majja tuleb ventilatsiooni seade ja katel metall torudega. Kas ühendada lihtsalt omavahel 5G4 kaabliga sisse tulev PE, kordusmaandus, potensiaalühtlustus, maanduslatt? Ega see pingelang nüüd tõesti väga suur tule aga nõetekohaselt ei tohi olla pingeland suurem kui 5% liitumispunktist lõpp tarbijani.
-
- Ehituspenskar
- Postitusi: 6028
- Liitunud: 28 Jaan 2016, 10:35
- On tänanud: 112 korda
- On tänatud: 292 korda
Re: Jaotuskilbi kaabli valik
Kindlasti mitmed on aga kuna see on seaduse mõistes tegu "elektriseadme ehitusega", siis see isik peab olema vastava pädevusega ja tavakodanik ise selliseid töid teha ei tohi.elektrihuvi kirjutas: 18 Okt 2025, 11:19 Küsin siis natuke teistmoodi.
Kas keegi on ehitanud taolise kilbi ja läbinud ka auditi uuel majal? ...
Ehk olenemata, mida omanik oma UUE MAJA varaga (traatidega) teeb, ei saa ta ennem ametlikku kasutusluba, kui selle kohta ei ole pädeva isiku poolt tõendatud dokumenti.

Kõik ohutustehnika reeglid on kirjutatud kellegi verega!!!
-
- Uus kasutaja
- Postitusi: 13
- Liitunud: 19 Jaan 2025, 23:16
Re: Jaotuskilbi kaabli valik
Postitus Postitas elektrihuvi »
Äkki kellegil reaalselt kogemus sellist tüüpi kilbi ehitusega ja sai ka auditi tehtud? Tavaliselt nii ei tehta ja ise nii ei teeks, aga kuna kaabel juba maa sees siis uuringi kas kellelgi oleks mingi reaalne elust näide tuua sellise ehituse kohta. Siinkohal ei ole pädevus küsimuseks. Ka pädevusega inimesed ei tea kõike ja ei tule kõige peale.
-
- Ehituspenskar
- Postitusi: 3870
- Liitunud: 11 Veebr 2018, 14:45
- On tänanud: 42 korda
- On tänatud: 134 korda
Re: Jaotuskilbi kaabli valik
Kui sul mingit pädevust või kutset pole ja ei tea, mis on TN-S juhistik, milleks siis teemat üldse torgid? Sul peab uue asja ehitamiseks olema projekt. Ja siis tellid kas pädevad poisid või teed ise vähemalt pädeva isiku kontrolli all, kui ta usaldab. Igaks juhuks, 1-f pingelangu oled arvutanud õigesti, kuid see realiseerub voolul 20 A 1-f koormusel. 3-f sümmeetrilisel koormusel on ta 2x väiksem, sest N pole koormatud, väiksema vooluga on pingelang vastavalt väiksem.
Ehk tehniliselt sel kaablil väga viga ei ole, kui ei kavatse 1-f koormust 20 A rakendada ja kaitselülitid paned piiripealsed 16A B-karakteristikuga. Ise teema on majanduslik pool, sest selles kaablis kaoelektri maksad kinni ja see on voolu ruutsõltuvuses. Kui pole keeruline, võiks ta välja vahetada (näiteks kui on torus ja selles ka on võimalik liigutada) ja mitte 4G16, vaid 4G25 vastu. Eriti, kui kavatsed hakata mikrotootjaks, siis on pingelang mõlemas suunas ja max delta I tuleb korrutada 2-ga. Kui võrku müüa ei kavatse, toodetav jääb omatarbeks, ei pruugi vähese võrgust tarbimise tõttu kaabli mõningane pingelang omada mingit majanduslikku tähtsust. Nagu ikka, kõik sõltub asjaoludest.
El Insener
Ehk tehniliselt sel kaablil väga viga ei ole, kui ei kavatse 1-f koormust 20 A rakendada ja kaitselülitid paned piiripealsed 16A B-karakteristikuga. Ise teema on majanduslik pool, sest selles kaablis kaoelektri maksad kinni ja see on voolu ruutsõltuvuses. Kui pole keeruline, võiks ta välja vahetada (näiteks kui on torus ja selles ka on võimalik liigutada) ja mitte 4G16, vaid 4G25 vastu. Eriti, kui kavatsed hakata mikrotootjaks, siis on pingelang mõlemas suunas ja max delta I tuleb korrutada 2-ga. Kui võrku müüa ei kavatse, toodetav jääb omatarbeks, ei pruugi vähese võrgust tarbimise tõttu kaabli mõningane pingelang omada mingit majanduslikku tähtsust. Nagu ikka, kõik sõltub asjaoludest.
El Insener
Juhe teab kõike.
-
- Uus kasutaja
- Postitusi: 13
- Liitunud: 19 Jaan 2025, 23:16
Re: Jaotuskilbi kaabli valik
Postitus Postitas elektrihuvi »
Iseenesest tean, mis on TN-S juhistik.
Uskumatult palju antakse ehitusluba ilma elektriprojektita ja saadakse ka audit, kasutusluba ilma selleta.
Pingelangu arvutuse tegin 3- faasilise valemi järgi. 1- faasilise omaga tuleks suurem %.
Jutt muidugi kõik õige aga tihtilugu võib koormus jääda siiski ka põhiliselt 1 faasile. Isegi paljud õhk- vesisoojuspumbad 1 f ja 20A tänapäeval.
Nagu eelnevalt kirjutasin siis ise niimoodi poleks asja lahendanud. Eelnevalt on üks teine elektrik selle kaabli valmis vedanud. Aga sooviks kindlat teadmist, et sellise kaabliga pole võimalik seda süsteemi lahendada. Ise vastutust ei võtaks.
Voolu kadude osas saan ka täiesti aru.
Kõik vastus oli arusaadav, aga siiski vastust ei saa sellele, mis küsin.
Proovin lühidalt insenerilt küsida. Kas võiks saada seaduste ja normidega kooskõlas siiski 5G4 kaabliga pikkusega 45meetrit kooskõlas teostatud maja elektrikilbi? Sealhulgas potensiaalühtlustuse ventilatsiooni seadmele ja katla torustikule? Kas võib TN-S juhistikus PE, kordusmaandus ja potensiaalühtlustuse kokku ühendada jaotuskilbi juures? Või peaks TN-S jääma eraldi ja potensiaalühtlustusele eraldi maanduse tegema? Eeldan, et viimane variant õige.
Aitäh kaasamõtlemast!
Uskumatult palju antakse ehitusluba ilma elektriprojektita ja saadakse ka audit, kasutusluba ilma selleta.
Pingelangu arvutuse tegin 3- faasilise valemi järgi. 1- faasilise omaga tuleks suurem %.
Jutt muidugi kõik õige aga tihtilugu võib koormus jääda siiski ka põhiliselt 1 faasile. Isegi paljud õhk- vesisoojuspumbad 1 f ja 20A tänapäeval.
Nagu eelnevalt kirjutasin siis ise niimoodi poleks asja lahendanud. Eelnevalt on üks teine elektrik selle kaabli valmis vedanud. Aga sooviks kindlat teadmist, et sellise kaabliga pole võimalik seda süsteemi lahendada. Ise vastutust ei võtaks.
Voolu kadude osas saan ka täiesti aru.
Kõik vastus oli arusaadav, aga siiski vastust ei saa sellele, mis küsin.
Proovin lühidalt insenerilt küsida. Kas võiks saada seaduste ja normidega kooskõlas siiski 5G4 kaabliga pikkusega 45meetrit kooskõlas teostatud maja elektrikilbi? Sealhulgas potensiaalühtlustuse ventilatsiooni seadmele ja katla torustikule? Kas võib TN-S juhistikus PE, kordusmaandus ja potensiaalühtlustuse kokku ühendada jaotuskilbi juures? Või peaks TN-S jääma eraldi ja potensiaalühtlustusele eraldi maanduse tegema? Eeldan, et viimane variant õige.
Aitäh kaasamõtlemast!
-
- Ehituspenskar
- Postitusi: 3870
- Liitunud: 11 Veebr 2018, 14:45
- On tänanud: 42 korda
- On tänatud: 134 korda
Re: Jaotuskilbi kaabli valik
Pingelang 3,4 % on 1-f järgi (koormatud 2 juhti L ja N). 3- f järgi sümm koormus 1,7 %.elektrihuvi kirjutas: 18 Okt 2025, 14:00 Pingelangu arvutuse tegin 3- faasilise valemi järgi. 1- faasilise omaga tuleks suurem %.
Kui kaablivaliku ära põhjendad, siis pole probleemi. Kuid see on täpsemalt projekteerija rida. Kuid mina hetkel suurt teemat ei näe. Põhiline, et oleks lühisvoolud arvutatud. Sisendkaabli takistusele liituvad veel ELV liin, trafo, tarbijaliin. Ja lisaks maagiline Tambovi tegur 1,33 kuni 1,5.Proovin lühidalt insenerilt küsida. Kas võiks saada seaduste ja normidega kooskõlas siiski 5G4 kaabliga pikkusega 45meetrit kooskõlas teostatud maja elektrikilbi?
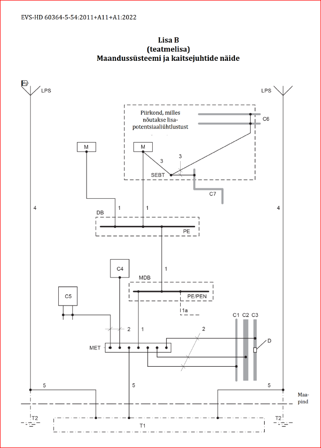
Loomulikult. PE peale võid kordusmaandusi pista nii palju, kui soovi. Samas võib kordumaandus jääda vaid ELV liitumiskilbi juurde seda enam, kui sealt tuleb TN-S juhistik. Kuid majast tulevad tavaliselt vundamendimaandurid nagunii.Kas võib TN-S juhistikus PE, kordusmaandus ja potensiaalühtlustuse kokku ühendada jaotuskilbi juures?
Olen pannud siia foorumisse isegi standardist võetud tüüpskeeme.
Või maksa standardi sirvimise eest. Näiteks EVS-HD 60364-5-54 Madalpingelised elektripaigaldised. Osa 5-54 Elektriseadmete valik ja paigaldamine. Maandamine ja kaitsejuhid, või ka EVS-HD 60364-5-52 Madalpingelised elektripaigaldised. Osa 5-52 Elektriseadmete valik ja paigaldamine. Juhistikud; EVS-HD 60364-4-444 Madalpingelised elektripaigaldised. Osa 4-444 Kaitseviisid. Kaitse pingehäiringute ja elektromagnetiliste häiringute eest
Kuid üldiselt, telli sellele asjale kohe projekt ära, et ei oleks pärast kuskilt karvade kitkumist. Või kui projekt on, aga oludele ei vasta, las projekteerija viib sobilikud muudatused sisse või käsib ümber ehitada.
Juhe teab kõike.
-
- Uus kasutaja
- Postitusi: 13
- Liitunud: 19 Jaan 2025, 23:16
Re: Jaotuskilbi kaabli valik
Postitus Postitas elektrihuvi »
Pingelangu osas panin jah puusse korralikult. Jagasin 3- faasilise % arvutades 230V-ga.
Majas vundamendimaandurid puuduvad. Soojustusel plaatvundament.
Olen erinevaid skeeme uurinud ja pole leidnud ühtegi vastavat lahendust. Lihtsam on mitte jätkata eelneva inimese tehtud tööd, kui ei ole visiooni kuidas jätkata.
Aitäh veel kord vastuste eest!
Lihtsalt huvi pärast küsin kas on mingi standard torustiku maanduse tegemiseks? Mingi takistuse norm?
Majas vundamendimaandurid puuduvad. Soojustusel plaatvundament.
Olen erinevaid skeeme uurinud ja pole leidnud ühtegi vastavat lahendust. Lihtsam on mitte jätkata eelneva inimese tehtud tööd, kui ei ole visiooni kuidas jätkata.
Aitäh veel kord vastuste eest!
Lihtsalt huvi pärast küsin kas on mingi standard torustiku maanduse tegemiseks? Mingi takistuse norm?
-
- Ehituspenskar
- Postitusi: 3870
- Liitunud: 11 Veebr 2018, 14:45
- On tänanud: 42 korda
- On tänatud: 134 korda
Re: Jaotuskilbi kaabli valik
Plasttoru kavatsed maandada? Standardite jutu pistsin just eelmisesse vastusesse.
Kokkukeevitatud vundamendisarrustest isegi Maast isoleeritud vundamendi puhul mingi PÜ juhe peaks tulema, et niiske ruumi PÜ-d vormistada. Eriti, kui on selles elektriküte. Ka tegelikult teema projekteerijale. Et annad talle õiged lähteandmed!

Kokkukeevitatud vundamendisarrustest isegi Maast isoleeritud vundamendi puhul mingi PÜ juhe peaks tulema, et niiske ruumi PÜ-d vormistada. Eriti, kui on selles elektriküte. Ka tegelikult teema projekteerijale. Et annad talle õiged lähteandmed!
Juhe teab kõike.
-
- Ehituspenskar
- Postitusi: 3306
- Liitunud: 04 Aug 2009, 00:27
- On tänanud: 3 korda
- On tänatud: 66 korda
Re: Jaotuskilbi kaabli valik
+peale selle - ükskord sõidate te elektriautodega niikuinii... kõik...... Ehk tehniliselt sel kaablil väga viga ei ole, kui ei kavatse 1-f koormust 20 A rakendada ja kaitselülitid paned piiripealsed 16A B-karakteristikuga. Ise teema on majanduslik pool, sest selles kaablis kaoelektri maksad kinni ja see on voolu ruutsõltuvuses. Kui pole keeruline, võiks ta välja vahetada (näiteks kui on torus ja selles ka on võimalik liigutada) ja mitte 4G16, vaid 4G25 vastu. Eriti, kui kavatsed hakata mikrotootjaks, siis on pingelang mõlemas suunas ja max delta I tuleb korrutada 2-ga. Kui võrku müüa ei kavatse, toodetav jääb omatarbeks, ei pruugi vähese võrgust tarbimise tõttu kaabli mõningane pingelang omada mingit majanduslikku tähtsust. Nagu ikka, kõik sõltub asjaoludest....

muid teemasid ei hakka lisama..
-
- Ehituspenskar
- Postitusi: 3870
- Liitunud: 11 Veebr 2018, 14:45
- On tänanud: 42 korda
- On tänatud: 134 korda
Re: Jaotuskilbi kaabli valik
1 asi, mida PV generaatori lisamisel tähele ei panda, et kui PK on näiteks X A ja inverter Y A, siis kilp peab taluma voolu X+Y A. Näiteks 32 A PK ja 15 kW inverter 25 A, kilbi deklar 63 A. Vastavalt peab ka kilbis olema juhistik, RV kaitsmete lubatud vool või näiteks PK 16 A. PV inverter ka 16 A, siis auto jaoks võib keerata laadija 22 kW, mitte 11.
Juhe teab kõike.
-
- Uus kasutaja
- Postitusi: 13
- Liitunud: 19 Jaan 2025, 23:16
Re: Jaotuskilbi kaabli valik
Postitus Postitas elektrihuvi »
Katla metall torudel vaja potensiaalühtlustus ja vent seadmel. Ei tea praktikas eriti, et keegi vundamendi sarruseid eramajadel keevitaks kokku. Standardite osas nende ostmine küllaltki kulukas. Oleks saadaval tasuta, kindlasti sirviks neid.
-
- Ehituspenskar
- Postitusi: 6028
- Liitunud: 28 Jaan 2016, 10:35
- On tänanud: 112 korda
- On tänatud: 292 korda
Re: Jaotuskilbi kaabli valik
Kas siin on vist midagi tõlkes kaduma läinud?elektrihuvi kirjutas: 18 Okt 2025, 14:00 ... Kõik vastus oli arusaadav, aga siiski vastust ei saa sellele, mis küsin.
Proovin lühidalt insenerilt küsida.
Kas võiks saada seaduste ja normidega kooskõlas siiski 5G4 kaabliga pikkusega 45meetrit kooskõlas teostatud maja elektrikilbi? ...
Vastuste saamisel on kindlasti kasuks, enne küsimuse esitamist selle sõnastus läbi mõelda, sest kuidas mõista väljendit "kaabli (toiteliini?) kooskõla" elektrikilbi teostusega, sest kumbki on eraldi elektriseadme osad, mis mõlemad peavad olema vastavate normidega?
Elektrikilpi ennast, ei huvita karvavõrdki selle külge ühendatud kaabli pikkus, veel vähem et see pikkus peaks olema kilbiga "kooskõlastatud".

Kõik ohutustehnika reeglid on kirjutatud kellegi verega!!!
-
- Ehituspenskar
- Postitusi: 3870
- Liitunud: 11 Veebr 2018, 14:45
- On tänanud: 42 korda
- On tänatud: 134 korda
Re: Jaotuskilbi kaabli valik
Standardi vaatamine 24 h, mille jooksul võid teha ekraanitõmmiseid nõrkemiseni, maksab 3 + KM.elektrihuvi kirjutas: 18 Okt 2025, 15:31 Katla metall torudel vaja potensiaalühtlustus ja vent seadmel. Ei tea praktikas eriti, et keegi vundamendi sarruseid eramajadel keevitaks kokku. Standardite osas nende ostmine küllaltki kulukas. Oleks saadaval tasuta, kindlasti sirviks neid.
Mis puudutab keevitamist, siis oskuse ja odava keevitustrafo korral on keevisühenduse tegemine 10 x kiirem kui poltühenduse. Ja samuti 10 x töökindlam.
Tüüpskeem, sisend kas PEN või PE. Viimane peaks andma vastuse su TN-S-i poleemikale.
Juhe teab kõike.
-
- Ehituspenskar
- Postitusi: 11434
- Liitunud: 03 Veebr 2008, 14:02
- On tänanud: 4 korda
- On tänatud: 325 korda
Re: Jaotuskilbi kaabli valik
Tasuta saad vaadata EVS ja Rahvusraamatukogus. Viimases saab koopia kah teha.elektrihuvi kirjutas: 18 Okt 2025, 15:31 Katla metall torudel vaja potensiaalühtlustus ja vent seadmel. Ei tea praktikas eriti, et keegi vundamendi sarruseid eramajadel keevitaks kokku. Standardite osas nende ostmine küllaltki kulukas. Oleks saadaval tasuta, kindlasti sirviks neid.
-
- Korralik postitaja
- Postitusi: 195
- Liitunud: 11 Dets 2019, 23:27
- On tänanud: 2 korda
- On tänatud: 14 korda
Re: Jaotuskilbi kaabli valik
Postitus Postitas Metsakraav »
Kui ma õigesti mäletan siis eelmise riigivõimu ajal pidi piksekaitse maandus olema eraldi.
Ühendamine muude maandustega oli siis keelatud.
Ühendamine muude maandustega oli siis keelatud.
-
- Ehituspenskar
- Postitusi: 6557
- Liitunud: 02 Veebr 2009, 22:46
- On tänanud: 107 korda
- On tänatud: 145 korda
Re: Jaotuskilbi kaabli valik
Nõukaajal oli elektrialal väga palju asju teistmoodi.Metsakraav kirjutas: 19 Okt 2025, 18:19eelmise riigivõimu ajal pidi piksekaitse maandus olema eraldi
-
- Ehituspenskar
- Postitusi: 6028
- Liitunud: 28 Jaan 2016, 10:35
- On tänanud: 112 korda
- On tänatud: 292 korda
Re: Jaotuskilbi kaabli valik
Ka praegu peab teatud juhtudel kasutama eraldi maandurit.Metsakraav kirjutas: 19 Okt 2025, 18:19 Kui ma õigesti mäletan siis eelmise riigivõimu ajal pidi piksekaitse maandus olema eraldi.
Ühendamine muude maandustega oli siis keelatud.
Näiteks kui paneelid on katusel ja samal katusel on piksekaitse, siis paneelid peavad olema ühendatud potensiaaliühtlustusega ja omama vahet piksekaitsest.

Kõik ohutustehnika reeglid on kirjutatud kellegi verega!!!
-
- Ehituspenskar
- Postitusi: 3870
- Liitunud: 11 Veebr 2018, 14:45
- On tänanud: 42 korda
- On tänatud: 134 korda
Re: Jaotuskilbi kaabli valik
Piksekaitse teema on nii ohtlik asi, et mina oleksin selles targu vait ja soovitaksin vaid lugeda standardiseeriat EVS_EN_62305
Kuid igaks juhuks mainin, et eraldatud maandureid see ei käsitle, isegi hoonest eraldatud piksekaitsesüsteemid peavad olema hoone nullnivool hoone maanduritega ühendatud. Tõenäoline probleem, mis võib tekkida, on sädelus ja süttimine.
Kuid igaks juhuks mainin, et eraldatud maandureid see ei käsitle, isegi hoonest eraldatud piksekaitsesüsteemid peavad olema hoone nullnivool hoone maanduritega ühendatud. Tõenäoline probleem, mis võib tekkida, on sädelus ja süttimine.
Juhe teab kõike.
-
- Ehitusveteran
- Postitusi: 1510
- Liitunud: 05 Mär 2023, 01:06
- On tänanud: 22 korda
- On tänatud: 48 korda
Re: Jaotuskilbi kaabli valik
Väiksema tegeliku koormuse korral, kui 20A, pingelang ka vastavalt väiksem.
Aga ise paneks ka võimalusel jämedama, just et jääks reserv, kui edaspidi soov ampreid tõsta nt kiirema elektrika laadija tarbeks
Vaata, äkki olemasolev kaabel on „torus“, kas saab vähesema vaevaga uue asemele tõmmata-lükata? Kui väga suur ümbertegemine, siis jätaks olemasoleva.
Kas see 5g4 oli projektikohane?
Aga ise paneks ka võimalusel jämedama, just et jääks reserv, kui edaspidi soov ampreid tõsta nt kiirema elektrika laadija tarbeks

Vaata, äkki olemasolev kaabel on „torus“, kas saab vähesema vaevaga uue asemele tõmmata-lükata? Kui väga suur ümbertegemine, siis jätaks olemasoleva.
Kas see 5g4 oli projektikohane?
-
- Ehitusveteran
- Postitusi: 1510
- Liitunud: 05 Mär 2023, 01:06
- On tänanud: 22 korda
- On tänatud: 48 korda
Re: Jaotuskilbi kaabli valik
Kas suurema takistusega kaabel võiski olla lühisvoolu piiramiseks pandud? Kui levinud see probleem üldse on, et lühisvool ületab (tavatarbijatele mõeldud) kaitselülitite parameetrid? Eratarbijal siis lahenduseks pigem sulavkaitse?kunn24 kirjutas: 18 Okt 2025, 14:24 ...
Kui kaablivaliku ära põhjendad, siis pole probleemi. Kuid see on täpsemalt projekteerija rida. Kuid mina hetkel suurt teemat ei näe. Põhiline, et oleks lühisvoolud arvutatud. Sisendkaabli takistusele liituvad veel ELV liin, trafo, tarbijaliin. Ja lisaks maagiline Tambovi tegur 1,33 kuni 1,5.
...
-
- Ehituspenskar
- Postitusi: 6557
- Liitunud: 02 Veebr 2009, 22:46
- On tänanud: 107 korda
- On tänatud: 145 korda
Re: Jaotuskilbi kaabli valik
See on natuke teine teema, nimelt eraldusvahemik ülelöögi mõttes. Maandur on siiski ühine.ping kirjutas: 19 Okt 2025, 18:35kasutama eraldi maandurit ... paneelid peavad olema ühendatud potensiaaliühtlustusega ja omama vahet piksekaitsest
https://www.obo.ee/tooted/ohutus-kaitse ... -polvkond/
-
- Ehituspenskar
- Postitusi: 6557
- Liitunud: 02 Veebr 2009, 22:46
- On tänanud: 107 korda
- On tänatud: 145 korda
Re: Jaotuskilbi kaabli valik
Üldjuhul on probleem pigem vastupidine, aga sellist meetodit kindlasti ei kasutata.A23 kirjutas: 20 Okt 2025, 07:46suurema takistusega kaabel võiski olla lühisvoolu piiramiseks pandud
Mine “Elekter, elektriseadmed”
Hüppa
- Ehitusfoorum
- ↳ Üldfoorum
- ↳ Ahjud, kaminad, korstnad
- ↳ Aiad, väravad
- ↳ Aknad, uksed
- ↳ Betoon ja betoonitooted
- ↳ Ehitustööriistad
- ↳ Ehitusmaterjalid
- ↳ Elekter, elektriseadmed
- ↳ Energiamärgis ja energiaaudit
- ↳ Fassaadide arutelu
- ↳ Katused, laed
- ↳ Hüdroisolatsioon
- ↳ Kaevud
- ↳ Konstruktsioonid, seinad
- ↳ Küttesüsteemid
- ↳ Palkmajad
- ↳ Projekteerimine, projektid
- ↳ Põrandad
- ↳ Puit ja puidutooted
- ↳ Restaureerimine
- ↳ Seadusandlus
- ↳ Soojustus, isolatsioon
- ↳ Saunad, dussiruumid, vannitoad, sanitaartehnika
- ↳ Siseviimistlus, värvid, plaatimistööd
- ↳ Ventilatsioon
- ↳ Veevarustus, kanalisatsioon, käimlad
- ↳ Vundamendid
- ↳ Naljanurk
- ↳ Arhiiv
- Ärifoorumid
- ↳ Otsin tööd
- ↳ Pakun tööd
- ↳ Ostu-müügifoorum
- ↳ Annan/võtan rendile
- ↳ Hinnapäring