Päikesepaneelide inverteri ühendamine
-
kunn24
- Ehituspenskar

- Postitusi: 4164
- Liitunud: 11 Veebr 2018, 14:45
- On tänanud: 45 korda
- On tänatud: 139 korda
Re: Päikesepaneelide inverteri ühendamine
Lugemata postitus Postitas kunn24 »
-
kollane koer
- Uus kasutaja

- Postitusi: 8
- Liitunud: 19 Mär 2023, 08:53
Re: Päikesepaneelide inverteri ühendamine
Lugemata postitus Postitas kollane koer »
-
Kalvis
- Ehituspenskar

- Postitusi: 11513
- Liitunud: 03 Veebr 2008, 14:02
- On tänanud: 4 korda
- On tänatud: 331 korda
Re: Päikesepaneelide inverteri ühendamine
Lugemata postitus Postitas Kalvis »
-
trebla
- Ehituspenskar

- Postitusi: 3355
- Liitunud: 04 Aug 2009, 00:27
- On tänanud: 3 korda
- On tänatud: 66 korda
Re: Päikesepaneelide inverteri ühendamine
Lugemata postitus Postitas trebla »
Hakatuseks võiks vaadata ka lüliti nimipinget... minu paneelid näiteks töötavad jooksvalt 750 V juures. Enamus madalpingeaparaate majandavad max 400/660 V AC juureskunn24 kirjutas: 19 Mär 2023, 20:52 Koormuse all DC lahutamine reeglina eeldab vastava vahelduvvooluga tähistatud aparaadi 10x üledimensioneerimist. Kui näiteks paneelide lühisvool on 15A, siis peaks pistma 150 A AC aparaadi?
Päris põnevaks läheb. Samas vajab alalisvoolu lahutamine korralikku kaarekustust, muidu on meil tegu elektrikeevitusega, mis ei kustugi enne õhtut.
Ma ei viitsinud hakata mõistatama mis näitajatega on üks eelpool toodud fotol olev Katko turvalüliti alalisvoolu puhul kuid väike googeldamine juhtis sellisele aparaadile, kus DC on suurelt kaanele kirjutatud
https://www.electrotori.net/product/394 ... 4-napainen
ja mille tehnilised andmed on :
https://www.electrotori.net/files/KATKO ... 281%29.pdf
-
kunn24
- Ehituspenskar

- Postitusi: 4164
- Liitunud: 11 Veebr 2018, 14:45
- On tänanud: 45 korda
- On tänatud: 139 korda
Re: Päikesepaneelide inverteri ühendamine
Lugemata postitus Postitas kunn24 »
-
kunn24
- Ehituspenskar

- Postitusi: 4164
- Liitunud: 11 Veebr 2018, 14:45
- On tänanud: 45 korda
- On tänatud: 139 korda
Re: Päikesepaneelide inverteri ühendamine
Lugemata postitus Postitas kunn24 »
-
kunn24
- Ehituspenskar

- Postitusi: 4164
- Liitunud: 11 Veebr 2018, 14:45
- On tänanud: 45 korda
- On tänatud: 139 korda
Re: Päikesepaneelide inverteri ühendamine
Lugemata postitus Postitas kunn24 »
See tundub juba lüliti moodi, lahutab rohkem kui 1 ahela ja pinged ka vastavad.trebla kirjutas: 20 Mär 2023, 17:36 Hakatuseks võiks vaadata ka lüliti nimipinget... minu paneelid näiteks töötavad jooksvalt 750 V juures. Enamus madalpingeaparaate majandavad max 400/660 V AC juures
Ma ei viitsinud hakata mõistatama mis näitajatega on üks eelpool toodud fotol olev Katko turvalüliti alalisvoolu puhul kuid väike googeldamine juhtis sellisele aparaadile, kus DC on suurelt kaanele kirjutatud
https://www.electrotori.net/product/394 ... 4-napainen
ja mille tehnilised andmed on :
https://www.electrotori.net/files/KATKO ... 281%29.pdf
Onninen paistab müüb lollusest meie turule Norra varianti, kus on normeeritud, et iga 120 V takka tuleb string lülititega juppideks jagada. Bürokraatia ei tunne piire.
- PV17.JPG (75.64 KiB) Vaadatud 4124 korda
-
võhik
- Ehitusspets

- Postitusi: 696
- Liitunud: 01 Jaan 2010, 11:54
- On tänanud: 2 korda
- On tänatud: 16 korda
Re: Päikesepaneelide inverteri ühendamine
Lugemata postitus Postitas võhik »
Kas seal, kus pole rakendatav, on nõutud sisseehitatud kaitseseadmetega inverterid?
(äkki jääks üldse eesti keele juurde ja räägiks vahelditest ?..
Päikese... ups... fotoelektrilised paneelid on tulnud selleks, et jääda...)
Mina olen märganud nende vaheldite skeemides paremal juhul tüüp 2 liigpingepiirikuid.
Samas enamus paneele on katustel millel pole sugugi piksekaitsepaigaldist, ehk nad on piksekaitsetsoonis 0A ?
Sama lugu ka maapaigaldistega...
Õigemini...ka selle olemasolu ei välista, vaid vastupidi, lausa nõuab Tüüp 1 piirikuid, mille näiteks on siinsamas kõrvalteemas kasutaja Ardi, kelle Huawei pikne sassi lõi....
-
ping
- Ehituspenskar

- Postitusi: 6159
- Liitunud: 28 Jaan 2016, 10:35
- On tänanud: 113 korda
- On tänatud: 295 korda
Re: Päikesepaneelide inverteri ühendamine
Lugemata postitus Postitas ping »
Et teemat veelgi segasemaks ajada, siis olen kohanud ka sellist varianti, kus inverteri turvalüliti mitte ei katkesta paneelide ahelat vaid "inverteris olev turvalüliti lühistab paneelijuhtmed omavahel".kunn24 kirjutas: 20 Mär 2023, 13:03 ... Kusjuures turvalüliti PV liini lõpus kõlab väga ebaloogliselt. ...
(Sellest ka inverteri tehnilistes andmetes olevad erinevad max lubatava sisendvoolu numbrid.
max töövool ja max sisendvool.)
Kui vool on max aga pinge on null, siis võimsus on ka null ja niimoodi kõrvaldatakse pinge paneelipaigaldise elektrijuhtmestiku erinevate osade vahelt.
On ka nii juhtunud, et kui päike paistab täiega paneelidele, inverter on võrgust eraldatud, turvalüliti inverteril on väljalülitatud ning suvalise paneeliahela pistiku lahutamisel tekitad pistikusse sellise kaare, et pistikud on vaja väljavahetada.
Seepärast tuleb pistikud alati (olenemata, et kas inverter on võrgust lahutatud või töötab) kiiresti lahutada, et juhtumisi tekkiv kaar klemme ei kahjustaks.
Alati tuleb põhjalikult uurida konkreetse seadme kasutusjuhendit!
-
võhik
- Ehitusspets

- Postitusi: 696
- Liitunud: 01 Jaan 2010, 11:54
- On tänanud: 2 korda
- On tänatud: 16 korda
Re: Päikesepaneelide inverteri ühendamine
Lugemata postitus Postitas võhik »
Optimeerijad peaks selle ära hoidma?
Märts on käes ja elekter tuleb, olgu või ilm pilves nagu täna... kuni novembrini võib elektriarved jälle unustada.
Kui ettemaksu maha ei larista siis ehk järgmise märtsinigi...
-
kunn24
- Ehituspenskar

- Postitusi: 4164
- Liitunud: 11 Veebr 2018, 14:45
- On tänanud: 45 korda
- On tänatud: 139 korda
Re: Päikesepaneelide inverteri ühendamine
Lugemata postitus Postitas kunn24 »
DC liini lühistamine päästjate jaoks oleks kõige õigem. See oli hea märkus, mis näitab, et standarditegijad (812-7) ei saanud üldse aru, mis mille jaoks.ping kirjutas: 21 Mär 2023, 08:03Et teemat veelgi segasemaks ajada, siis olen kohanud ka sellist varianti, kus inverteri turvalüliti mitte ei katkesta paneelide ahelat vaid "inverteris olev turvalüliti lühistab paneelijuhtmed omavahel".kunn24 kirjutas: 20 Mär 2023, 13:03 ... Kusjuures turvalüliti PV liini lõpus kõlab väga ebaloogliselt. ...
(Sellest ka inverteri tehnilistes andmetes olevad erinevad max lubatava sisendvoolu numbrid.
max töövool ja max sisendvool.)
Kui vool on max aga pinge on null, siis võimsus on ka null ja niimoodi kõrvaldatakse pinge paneelipaigaldise elektrijuhtmestiku erinevate osade vahelt.
Oma inveterile tegin proovikäivituse, küsis kohe Crid Code, mida muidui enda arust jõle tarku tingimusi väljastanud Elektrilevi lepingusse ei pannud, kuigi inverteri mudeli pigistas detailidena välja.
Ping, Portugali valikus ka pole. Huawei pakkunuks selle ise automaatselt välja, kui meie targad sägad Elektrilevist olnuks saatnud andmed tehasele.
Nii, et küsimus suurele ringile: Mida panna Huawei inverteri Crid Code kohale? Paluks reaalseid variante.
-
ping
- Ehituspenskar

- Postitusi: 6159
- Liitunud: 28 Jaan 2016, 10:35
- On tänanud: 113 korda
- On tänatud: 295 korda
Re: Päikesepaneelide inverteri ühendamine
Lugemata postitus Postitas ping »
Hübriidinverteritele paistab, et kehtib käesoleval ajal kood EN50549 .kunn24 kirjutas: 21 Mär 2023, 11:08 ... Oma inveterile tegin proovikäivituse, küsis kohe Crid Code, mida muidui enda arust jõle tarku tingimusi väljastanud Elektrilevi lepingusse ei pannud, kuigi inverteri mudeli pigistas detailidena välja.
Ping, Portugali valikus ka pole. Huawei pakkunuks selle ise automaatselt välja, kui meie targad sägad Elektrilevist olnuks saatnud andmed tehasele.
Nii, et küsimus suurele ringile: Mida panna Huawei inverteri Crid Code kohale? Paluks reaalseid variante.
Kuna EE on üks Baltikumi regiooni elektritootja ja ei tegutse mitte ainult Eestis (Soomest Poolani), siis vist peab jälgima EU üleseid dokumente.
Ülevaade:
http://www.ired2018.at/Sessions/5.3%20C ... chaupp.pdf
Mida see standard sisaldab:
This document will supersede EN 50438:2013 and CLC/TS 50549-1:2015.
https://dcode.org.uk/assets/uploads/EN5 ... raft_1.pdf
Netist:
https://www.google.com/search?q=en+5054 ... 17&dpr=1.5
-
kunn24
- Ehituspenskar

- Postitusi: 4164
- Liitunud: 11 Veebr 2018, 14:45
- On tänanud: 45 korda
- On tänatud: 139 korda
Re: Päikesepaneelide inverteri ühendamine
Lugemata postitus Postitas kunn24 »
Täiendus, sain Elevälist lõpuks selle koodi: NL lõpuga määravad nemad.
-
ping
- Ehituspenskar

- Postitusi: 6159
- Liitunud: 28 Jaan 2016, 10:35
- On tänanud: 113 korda
- On tänatud: 295 korda
Re: Päikesepaneelide inverteri ühendamine
Lugemata postitus Postitas ping »
50438 on varemkehtinud ja 50549 on uuem versioon, mõlematega töötab.kunn24 kirjutas: 21 Mär 2023, 13:07 Mida ma seadme menüüst konkreetselt valin? Kusjuures EL-ile on küsimus saadetud, vastust siiani pole, TT väljastaja, kelle kontakt oli jäetud, ei teadnud sellest teemast midagi.
![]()
http://www.xn--pikeseelekter-bfb.ee/Lii ... eda%20teha.
3.Mikrotootmisseadme kasutuselevõtmine. Selleks, et saaksite mikrotootmisseadme kasutusele võtta, peavad Teil olema lõpetatud kõik ehitus-, seadistus- ja muud elektritööd, täidetud liitumistingimused, tasutud kõik liitumistasu arved ning esitatud võrguettevõttele järgmised dokumendid:
-elektritöö teostaja koostatud lõplikult väljaehitatud elektripaigaldise elektriline teostusjoonis või -skeem tootmisseadmest kuni võrguettevõtja liitumispunktini. Teostusjoonisel või -skeemil peavad olema näidatud tootmisseadmed koos abiseadmetega (mark, nimivõimsus, tüüp), ühendusliinide kaablid (mark, ristlõige, pikkus), kaitseaparaadid (tüüp, nimivool) ja tarbimise jaotusharud;
-mikrotootmisseadme kaitsesätete seadistamise protokoll; NB! Kõik inverterid on vaja kindlasti seadistada Eestis kehtivate kaitsesätetega. Seda võib teha vastavat pädevust omav spetsialist. Kõik Euroopast (mitte kohalikult müüjalt) ostetud inverterid on vaja ümberseadistada!
-teatis elektripaigaldise nõuetekohasuse kohta koos nõuetekohasuse tunnistuse koopiaga. Elektripaigaldise nõuetekohasuse tunnistuse väljastab Teile elektritööde teostaja pärast tehnilise kohtrolli tegemist. Tehnilist kontrolli saate tellida ettevõttelt, kellel on majandustegevuse registri andmetel õigus seda teha.
https://www.elektrilevi.ee/vaiketootjale?modal=sammud
Mikrotootja protokoll:
https://www.elektrilevi.ee/-/doc/864414 ... okoll.docx
-
kunn24
- Ehituspenskar

- Postitusi: 4164
- Liitunud: 11 Veebr 2018, 14:45
- On tänanud: 45 korda
- On tänatud: 139 korda
Re: Päikesepaneelide inverteri ühendamine
Lugemata postitus Postitas kunn24 »
Jälle mingi kõvatamise hüüdlause, andku siis need parameetrid, mida on vaja seadistada, mitte ärgu ajagu ümmargust jama. Kusjuures, kui EL-ile sai konkreetne mudel antud ja see on lepingus, pidanuks kõik parameetrid tulema temalt. Hetkel on sealt poolt siiani vaikus.NB! Kõik inverterid on vaja kindlasti seadistada Eestis kehtivate kaitsesätetega. Seda võib teha vastavat pädevust omav spetsialist. Kõik Euroopast (mitte kohalikult müüjalt) ostetud inverterid on vaja ümberseadistada!
Kaablite paigutuse suhtes on ka seisukohti seinast seina, 1 "koolkond" käsib paigaldada + ja - eraldi kõridesse, katusele kaableid ei tohi laotada. Samas optimeerijate kasutamisel Huawei käsib + ja - liinid vedada paralleelselt, et kaablid antennideks ei muutuks, sidudes nad punti ja isegi kokku keerutada.
https://download-hk.huawei.com/edownloa ... ectFrom=ru
-
Kalvis
- Ehituspenskar

- Postitusi: 11513
- Liitunud: 03 Veebr 2008, 14:02
- On tänanud: 4 korda
- On tänatud: 331 korda
Re: Päikesepaneelide inverteri ühendamine
Lugemata postitus Postitas Kalvis »
-
kunn24
- Ehituspenskar

- Postitusi: 4164
- Liitunud: 11 Veebr 2018, 14:45
- On tänanud: 45 korda
- On tänatud: 139 korda
Re: Päikesepaneelide inverteri ühendamine
Lugemata postitus Postitas kunn24 »
-
trebla
- Ehituspenskar

- Postitusi: 3355
- Liitunud: 04 Aug 2009, 00:27
- On tänanud: 3 korda
- On tänatud: 66 korda
Re: Päikesepaneelide inverteri ühendamine
Lugemata postitus Postitas trebla »
Mina panin kõik ühte kõrisse (ka potentsiaaliühtlustusjuhi) ja naelutasin selle klambritega küüni puitseinale.kunn24 kirjutas: 21 Mär 2023, 18:20 ....
Kaablite paigutuse suhtes on ka seisukohti seinast seina, 1 "koolkond" käsib paigaldada + ja - eraldi kõridesse, katusele kaableid ei tohi laotada. Samas optimeerijate kasutamisel Huawei käsib + ja - liinid vedada paralleelselt, et kaablid antennideks ei muutuks, sidudes nad punti ja isegi kokku keerutada.
........
Kaabli kokkuhoiu huvides oleks jah tore olnud üht paneelirida pidi minna ja teist pidi tagasi tulla, kuid suure pindalaga kontuuri tekkimise vältimiseks siksakitasin mõlema kaabliga kõik paneelid läbi. Alles pärast tuli pähe, et teise paneelirea paneelid oleks võinud teistpidi (karp allapoole) panna. Kui siis pärast katusevahetust uuesti paneelid tagasi panin, siis nii tegingi ja peale selle tõmbasin tagasituleva kaabli sellest siksakist otse läbi. Nüüd tekkis küll hulk väikeseid kontuure, kuid teoreetiliselt indutseeritakse ju igas järgmises kontuuris vooluimpulss eelmisega võrreldes vastsasuunas ja need peaks teineteist summutama ?
Igatahes jäi esimese variandi kaablist pärast uuesti paigaldamist vist 20 m üle...
Marksi Karla väitis et praktika on tõe kriteerium.. saame näha ...
Re: Päikesepaneelide inverteri ühendamine
Lugemata postitus Postitas KKA »
-
Kalvis
- Ehituspenskar

- Postitusi: 11513
- Liitunud: 03 Veebr 2008, 14:02
- On tänanud: 4 korda
- On tänatud: 331 korda
Re: Päikesepaneelide inverteri ühendamine
Lugemata postitus Postitas Kalvis »
-
trebla
- Ehituspenskar

- Postitusi: 3355
- Liitunud: 04 Aug 2009, 00:27
- On tänanud: 3 korda
- On tänatud: 66 korda
Re: Päikesepaneelide inverteri ühendamine
Lugemata postitus Postitas trebla »
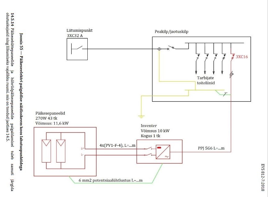
Kunni poolt toodud dokumendi punkt 14.5.11 põhjal ütleks, et tavaline moodulkaitselüliti sobib (enamasti ? - päris vuhvleid meil tänapäeval vist enam ei müüda ?), kui inverter asub I piksekaitsetsoonis ja selle ja 0-tsooni piiril on tagatud võimalike liigpingete piiramine III liigpingekategooria seadmete taluvustasemele.
Kui seda pole tehtud, siis tuleb jah kasutada IV liigpingekategooria kaitselahutusaparaati.
Minul on paneelid 20 m kaugusel asuva abihoone katusel ... seega sai abihoone kilpi pandud esmalt IV liigpingekategooria kaitselahutuslüliti kui ka Tüüp 1 piksevoolupiirikud.
-
kunn24
- Ehituspenskar

- Postitusi: 4164
- Liitunud: 11 Veebr 2018, 14:45
- On tänanud: 45 korda
- On tänatud: 139 korda
Re: Päikesepaneelide inverteri ühendamine
Lugemata postitus Postitas kunn24 »
-
kunn24
- Ehituspenskar

- Postitusi: 4164
- Liitunud: 11 Veebr 2018, 14:45
- On tänanud: 45 korda
- On tänatud: 139 korda
Re: Päikesepaneelide inverteri ühendamine
Lugemata postitus Postitas kunn24 »
Üldiselt DC poolt mingi turvalülitiga koormuse all lahutada inveteritootja keelab kategooriliselt enne, kui inverter pole AC poolelt lahutatud ja päästjate jaoks on täiesti vale taktika nõuda DC poole lahutamist, nõuda tuleks lühistamist.
-
trebla
- Ehituspenskar

- Postitusi: 3355
- Liitunud: 04 Aug 2009, 00:27
- On tänanud: 3 korda
- On tänatud: 66 korda
Re: Päikesepaneelide inverteri ühendamine
Lugemata postitus Postitas trebla »
-
ping
- Ehituspenskar

- Postitusi: 6159
- Liitunud: 28 Jaan 2016, 10:35
- On tänanud: 113 korda
- On tänatud: 295 korda
Re: Päikesepaneelide inverteri ühendamine
Lugemata postitus Postitas ping »
https://www.youtube.com/watch?v=Jtd8gTh ... nel=PVStop
Nagu näha, siis juhtmeid kiirelt lahutades kaar katkeb aga kui juba plasmapilv on tekkinud, siis annab päris pikaks (kümneid kordi pikemaks kui ülelöögipinge) seda kaart venitada.
Samas näidatakse ka vee poolt tekitatud isolatsioonileket läbi klaasi mõrade, ehk miks peaks olema piiratud kõrvaliste isikute puutekaugusesse lähenemine paneelidele.
Siin videos on näha, et kuidas käitub tavaline kaitseautomaat PV alalisvoolu ahelas.
https://www.youtube.com/watch?v=EJC6wKi ... alServices
Mine “Elekter, elektriseadmed”
- Ehitusfoorum
- ↳ Üldfoorum
- ↳ Ahjud, kaminad, korstnad
- ↳ Aiad, väravad
- ↳ Aknad, uksed
- ↳ Betoon ja betoonitooted
- ↳ Ehitustööriistad
- ↳ Ehitusmaterjalid
- ↳ Elekter, elektriseadmed
- ↳ Energiamärgis ja energiaaudit
- ↳ Fassaadide arutelu
- ↳ Katused, laed
- ↳ Hüdroisolatsioon
- ↳ Kaevud
- ↳ Konstruktsioonid, seinad
- ↳ Küttesüsteemid
- ↳ Palkmajad
- ↳ Projekteerimine, projektid
- ↳ Põrandad
- ↳ Puit ja puidutooted
- ↳ Restaureerimine
- ↳ Seadusandlus
- ↳ Soojustus, isolatsioon
- ↳ Saunad, dussiruumid, vannitoad, sanitaartehnika
- ↳ Siseviimistlus, värvid, plaatimistööd
- ↳ Ventilatsioon
- ↳ Veevarustus, kanalisatsioon, käimlad
- ↳ Vundamendid
- ↳ Naljanurk
- ↳ Arhiiv
- Ärifoorumid
- ↳ Otsin tööd
- ↳ Pakun tööd
- ↳ Ostu-müügifoorum
- ↳ Annan/võtan rendile
- ↳ Hinnapäring
