Akupaak ei lähe lõpuni soojaks
-
KTT
- külaline
Akupaak ei lähe lõpuni soojaks
Lugemata postitus Postitas KTT »
Asi siis selline. Katlas tuli all. Katla peal kell näitab 90. Segamissõlmes katlast tulev ja katlasse minev kell näitab 60 kraadi. Akupaagist segamissõlme tulev on enamvähem sama mis paagi all otsas ( paar kraadi vahe ).
Nüüd küttes hakkab paak soojenema. Kõgepealt ülevalt 65. Siis keskelt 65 (samal ajal ülemine osa ei tõuse). Lõpuks alt 65. Ülemine osa selleks hetkeks on tõusnud võibolla maksimum 67-69 peale.
Olen lasnud nii palju, et kõik Termovari kellad on 60 peal kuid paagi ülemine ots ega toru peal olev andur 80 pole näinud.
Küsimus siis selles, et miks paagi ülemine osa ei lähe 80 peale näiteks ?!
3T ventiil on tuppa mineva sooja kinni keeranud ning selles asi olla ei saa, et nüüd radikad liiga palju ära tarbiks. Toad soojad.
Kas peaks vahetama segamissõlmes termostaadi kangema vastu ?
(Kuigi see tundub, et ei tohiks omada tähtsust)
Või on segamissõlmes mingi muu kala sees?
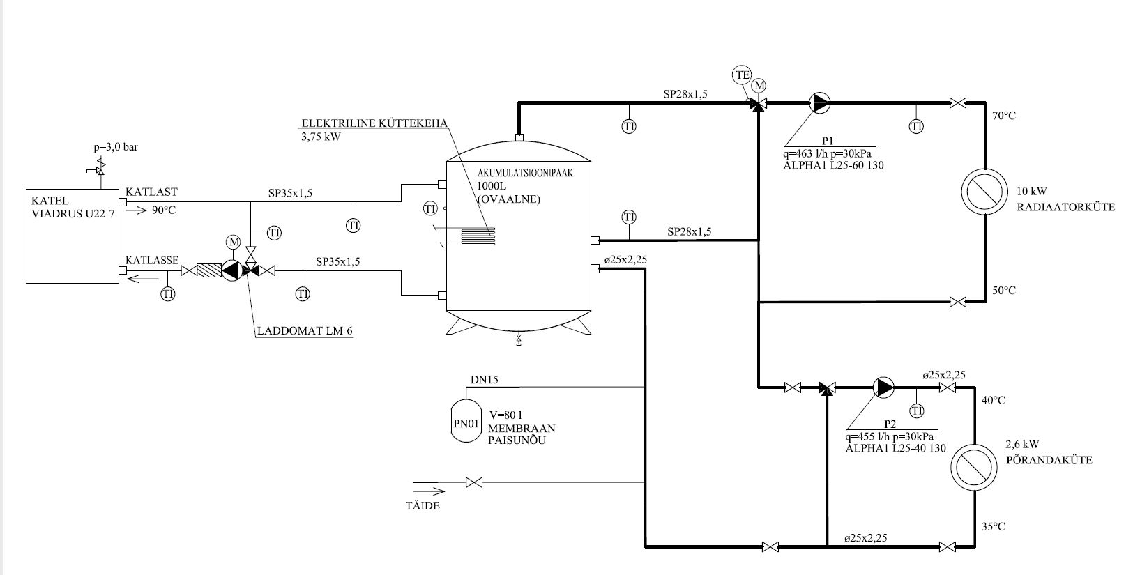
Katlaks Viadrus 26/8, Segamissõlm Termovar LK 810, Akupaak 1500l, Paagi ja katla vahel mingeid boilereid ega muid asju ei ole.
-
külaline13
- külaline
Re: Akupaak ei lähe lõpuni soojaks
Lugemata postitus Postitas külaline13 »
-
esimene
- külaline
Re: Akupaak ei lähe lõpuni soojaks
Lugemata postitus Postitas esimene »
Mul sama skeem. Katel küll teine ja pelleti peal. Aga sel pole vahet.
Mu termovaris 72kraadine termostaat. Katlast akupaaki lähebki esialgu umbes 75 kraadine vesi. Kui akupaak läheb põhjani 75 kraadi, siis hakkab alles katlast minema akupaaki soojem vesi.
-
KTT
- külaline
Re: Akupaak ei lähe lõpuni soojaks
Lugemata postitus Postitas KTT »
Katlas oli 90 kraadi. Paaki läks 75. Panin puid juurde minimaalselt, et näha kas hakkab katlast soojem vesi liikuma. Katla kella viskas 100 peale ning paaki läks jätkuvalt vaid 75.
Tundub nagu termostaat ei sulgeks väikest ringi täielikult?
-
Esimene
- külaline
Re: Akupaak ei lähe lõpuni soojaks
Lugemata postitus Postitas Esimene »
Kui tundub, et termovar ei suge väikest ringi, siis proovi seda ringi sulgeda termovari enda sulgventiilist ja vaata mida siis teeb.
Re: Akupaak ei lähe lõpuni soojaks
Lugemata postitus Postitas OmaViga »
-
Esimene
- külaline
Re: Akupaak ei lähe lõpuni soojaks
Lugemata postitus Postitas Esimene »
OmaViga kirjutas:Pane 63 kraadine termostaat sisse. 72 kraadine termostaat ei avane piisavalt, et soe vesi paaki jõudma hakkaks.
-
Esimene
- külaline
Re: Akupaak ei lähe lõpuni soojaks
Lugemata postitus Postitas Esimene »
Ilmselt ongi sees 63 kraadine termostaat, mis segab vee selliseks, et paak läheb 65 kraadine vesi ja hoiab katlas umbes 60 kraadist vett.Esimene kirjutas:OmaViga kirjutas:Pane 63 kraadine termostaat sisse. 72 kraadine termostaat ei avane piisavalt, et soe vesi paaki jõudma hakkaks.
Aga ma ei saa aru, kui katlas vesi 90 kraadi, siis peaks see minema olenemata termostaadist ikkagi akupaaki. Kas katlast väljuval torul on ka lisaks termomeeter?
Kuskohas asub akupaagil tagasivoolu toru? Kas all või kuskil kõrgemal paagi keskel või kolmandiku peal üleval?
Võib olla nii, et radikate pump segab terves paagis vee ära.
Re: Akupaak ei lähe lõpuni soojaks
Lugemata postitus Postitas OmaViga »
-
dumbuser
- Ehituspenskar

- Postitusi: 3831
- Liitunud: 08 Jaan 2008, 23:08
- On tänanud: 11 korda
- On tänatud: 80 korda
Re: Akupaak ei lähe lõpuni soojaks
Lugemata postitus Postitas dumbuser »
-
Külaline
- külaline
Re: Akupaak ei lähe lõpuni soojaks
Lugemata postitus Postitas Külaline »
-
Esimene
- külaline
Re: Akupaak ei lähe lõpuni soojaks
Lugemata postitus Postitas Esimene »
Samas katlast termovari läheb 60 kraadi. See peaks olema see temp mis katlast tuleb. Võimalik, et katla temp andur pole päris õige, või asub selles kohas kus ongi vesi kuumem konkreetses kohas.
Kui vesi läheb kuumemaks kui 63 kraadi, suunab termovar kuumema vee akupaaki. Ehk nagu öeldud 65 kraadi ja üle selle ei lähegi enne kui terve akpaak põhjani 65 kraadi.
Ma algul ka jändasin nende temperatuuridega. Lõpuks panin digitaaltermomeetrid peale ja hakkasin logima. Praegu termovaris 72 kraadine termostaat ja akupaaki läheb ~75 kraadine vesi ja termovarist katla tagasivoolu ~67 kraadine vesi. Alumine graafik skeemil:
http://web.zone.ee/temperatuurid/2016-10-16.jpg
-
KTT
- külaline
Re: Akupaak ei lähe lõpuni soojaks
Lugemata postitus Postitas KTT »
Termovar kolmandal kiirusel.Mis kiirusel termovar töötab?
Termostaat on 60 kraadine.Pane 63 kraadine termostaat sisse. 72 kraadine termostaat ei avane piisavalt, et soe vesi paaki jõudma hakkaks.
Katlast väljuval torul on digitaalne termomeeter sellel toruosal mis on peale segamissõlme. Ehk siis enne akupaaki. Tagasivool on all. ( Vaata pilti ülemises postituses )Aga ma ei saa aru, kui katlas vesi 90 kraadi, siis peaks see minema olenemata termostaadist ikkagi akupaaki. Kas katlast väljuval torul on ka lisaks termomeeter?
Kuskohas asub akupaagil tagasivoolu toru? Kas all või kuskil kõrgemal paagi keskel või kolmandiku peal üleval?
Võib olla nii, et radikate pump segab terves paagis vee ära.
Mul terve süsteem digi andureid täis ( DS18B20 ). Räägi millega sa logid seda ?Ma algul ka jändasin nende temperatuuridega. Lõpuks panin digitaaltermomeetrid peale ja hakkasin logima.
-
Esimene
- külaline
Re: Akupaak ei lähe lõpuni soojaks
Lugemata postitus Postitas Esimene »
Rohkem juttu siin.
viewtopic.php?f=9&t=38822
Re: Akupaak ei lähe lõpuni soojaks ja Viadrus katel
Lugemata postitus Postitas ProM »
Re: Akupaak ei lähe lõpuni soojaks
Lugemata postitus Postitas kontra »
-
Prill
- Ehitusveteran

- Postitusi: 1460
- Liitunud: 27 Veebr 2017, 10:36
- On tänanud: 6 korda
- On tänatud: 84 korda
Re: Akupaak ei lähe lõpuni soojaks
Lugemata postitus Postitas Prill »
Viadruse katel on olemusel söeküttekatel ja selle võimsusnäitajad kehtivad söega küttes ehk puudega küttes annab katel vähem välja kui paberites kirjas, lisaks katla efektiivsus ei ole tänapäevane - liialt sooja lahkub korstnasse. Oman ise U26 katelt ja kehva puuga küttes ei saanud samuti paaki soojaks aga kuiva kasehalu ja puitbriketiga oli juba parem. Nüüdseks on katel paaritatud pelletipõletiga, lisatud katlaribidele plekist turbulaatorid ja šamotist lisakäik ja pole samuti akupaagi üleskütmisega probleemi.
Katla hoolikas puhastamine mõjub samuti hästi, kui ribid-pinnad on šlakist, tahmast ja tuhast puhtad on põlemisest tekkiva sooja ülekanne veele parem - kulub vähem kütet, saab vee kuumemaks.
Re: Akupaak ei lähe lõpuni soojaks
Lugemata postitus Postitas ProM »
Kuidas seda termostaati Laddomati sees vahetatakse ja kes seda müüb? Kas vahetada tuleb kogu kupatus?Esimene kirjutas: 17 Okt 2016, 00:17 Esimeses kommentaaris: Katlas tuli all. Katla peal kell näitab 90.
Samas katlast termovari läheb 60 kraadi. See peaks olema see temp mis katlast tuleb. Võimalik, et katla temp andur pole päris õige, või asub selles kohas kus ongi vesi kuumem konkreetses kohas.
Kui vesi läheb kuumemaks kui 63 kraadi, suunab termovar kuumema vee akupaaki. Ehk nagu öeldud 65 kraadi ja üle selle ei lähegi enne kui terve akpaak põhjani 65 kraadi.
Ma algul ka jändasin nende temperatuuridega. Lõpuks panin digitaaltermomeetrid peale ja hakkasin logima. Praegu termovaris 72 kraadine termostaat ja akupaaki läheb ~75 kraadine vesi ja termovarist katla tagasivoolu ~67 kraadine vesi. Alumine graafik skeemil:
http://web.zone.ee/temperatuurid/2016-10-16.jpg
-
dumbuser
- Ehituspenskar

- Postitusi: 3831
- Liitunud: 08 Jaan 2008, 23:08
- On tänanud: 11 korda
- On tänatud: 80 korda
Re: Akupaak ei lähe lõpuni soojaks
Lugemata postitus Postitas dumbuser »
Mul on sarnane lahendus aga umbes 15 aastaga suri termostaadis see nublakas ära mis soojusele reageerides vett suunab. Nagu hea tava ette näeb siis asendust/varuosa ei ole olemas (kui ka on siis mina ei suutnud leida) ja lõppes asi sellega, et tuli kogu Termovar välja vahetada koos sellega kaasnevate torutöödega kuna uus mudel oli kõiki häid tavasid järgides igate pidi mõned sentimeetrid teises mõõdus. Eelmisel oli isegi pump täiesti elus aga kuna temperatuuri peale ei mõika siis polnud midagi peale vahetamise teha.Prill kirjutas: 09 Dets 2021, 16:49 Oman ise U26 katelt ja kehva puuga küttes ei saanud samuti paaki soojaks aga kuiva kasehalu ja puitbriketiga oli juba parem. Nüüdseks on katel paaritatud pelletipõletiga, lisatud katlaribidele plekist turbulaatorid ja šamotist lisakäik ja pole samuti akupaagi üleskütmisega probleemi.
Katla hoolikas puhastamine mõjub samuti hästi, kui ribid-pinnad on šlakist, tahmast ja tuhast puhtad on põlemisest tekkiva sooja ülekanne veele parem - kulub vähem kütet, saab vee kuumemaks.
-
Ac457765
- Ehitusguru

- Postitusi: 988
- Liitunud: 16 Jaan 2021, 22:47
- On tänanud: 7 korda
- On tänatud: 33 korda
Re: Akupaak ei lähe lõpuni soojaks
Lugemata postitus Postitas Ac457765 »
Re: Akupaak ei lähe lõpuni soojaks ja Viadrus katel
Lugemata postitus Postitas ProM »
viskan koldesse puude vahele ka puitbriket ja tundub nagu natuke aitaks. kui laddomati hoida II kiirusel saan katlast väljuva toru peale 100C kraadi, kui III kiirus siis 90C. Kumma kiiruse peal siis hoida? paak üleval 70C al 65C, rohkem ei tõuse temp, pigem tõuseb rõhk liiga palju.ProM kirjutas: 09 Dets 2021, 08:47 kütan puudega) väljuv torustikus veetemp näitab 80-90 kraadi. Kütad 2, 3, 4 tundi. Paagi ja katla vahel Laddomat LM-6. Paaki saab üles 60-65 kraadi, all ~50-60...
-
Ac457765
- Ehitusguru

- Postitusi: 988
- Liitunud: 16 Jaan 2021, 22:47
- On tänanud: 7 korda
- On tänatud: 33 korda
Re: Akupaak ei lähe lõpuni soojaks
Lugemata postitus Postitas Ac457765 »
-
Coolhouse
- Ehitusveteran

- Postitusi: 1065
- Liitunud: 12 Sept 2008, 14:19
- On tänanud: 1 korda
- On tänatud: 30 korda
Re: Akupaak ei lähe lõpuni soojaks
Lugemata postitus Postitas Coolhouse »
Kui väljuva toru pealt mõõtes on vesi 100 C siis on see ikka liiast.
Katla sees võib siis temperatuur vvelgi kõrgem olla.
Kui kuskilt külma vett peale saab siis võib selline asi vastu taevast lennata.
Vahetage oma katkised jupid ära.
Rõhk tõuseb liiga palju..... Mõistus tule koju.
Müük, hooldus. info@coolhouse.ee
-
rst
- Ehitusspets

- Postitusi: 406
- Liitunud: 30 Okt 2013, 17:18
- On tänanud: 18 korda
- On tänatud: 17 korda
Re: Akupaak ei lähe lõpuni soojaks ja Viadrus katel
Lugemata postitus Postitas rst »
Kui kindel sa oled, et katlast tuleb ikkagi 90 kraadi välja? Kui päriselt ka katlast tuleks 90 kraadi välja, siis peaks laddomatti segamissõlme üks termomeeter näitama 90 kraadi ning lisaks ka akupaagi ülemine temperatuuri näidik sama ja seda suht ruttu.ProM kirjutas: 09 Dets 2021, 08:47 Tere. Kasutan siin vana teemat ära. Mul esimese postitajaga sama teema akupaak 1000L ei lähe lõpuni/piisavalt soojaks. Katlast (Viadrus U22/7, kütan puudega) väljuv torustikus veetemp näitab 80-90 kraadi. Kütad 2, 3, 4 tundi. Paagi ja katla vahel Laddomat LM-6. Paaki saab üles 60-65 kraadi, all ~50-60. kütad palju tahad aga kõik laddomati termomeetrid ~60 peal. ....
Kasvõi sellise seadmega võiks mõõta kõigepealt toru temperatuurid üle, enne kui hakkad midagi remontima/välja vahetama.
https://pood.magaziin.ee/product/infrapuna-termomeeter/
Hetkel mina panustaks kohvipaksu pealt, et katla termostaat on otsas omadega ja ladomat töötab täpselt nii nagu ta peab.
- Ehitusfoorum
- ↳ Üldfoorum
- ↳ Ahjud, kaminad, korstnad
- ↳ Aiad, väravad
- ↳ Aknad, uksed
- ↳ Betoon ja betoonitooted
- ↳ Ehitustööriistad
- ↳ Ehitusmaterjalid
- ↳ Elekter, elektriseadmed
- ↳ Energiamärgis ja energiaaudit
- ↳ Fassaadide arutelu
- ↳ Katused, laed
- ↳ Hüdroisolatsioon
- ↳ Kaevud
- ↳ Konstruktsioonid, seinad
- ↳ Küttesüsteemid
- ↳ Palkmajad
- ↳ Projekteerimine, projektid
- ↳ Põrandad
- ↳ Puit ja puidutooted
- ↳ Restaureerimine
- ↳ Seadusandlus
- ↳ Soojustus, isolatsioon
- ↳ Saunad, dussiruumid, vannitoad, sanitaartehnika
- ↳ Siseviimistlus, värvid, plaatimistööd
- ↳ Ventilatsioon
- ↳ Veevarustus, kanalisatsioon, käimlad
- ↳ Vundamendid
- ↳ Naljanurk
- ↳ Arhiiv
- Ärifoorumid
- ↳ Otsin tööd
- ↳ Pakun tööd
- ↳ Ostu-müügifoorum
- ↳ Annan/võtan rendile
- ↳ Hinnapäring

