Nibe õhk-vesi soojuspump
Nibe õhk-vesi soojuspump
Lugemata postitus Postitas Fixed »
Nüüd suurte külmadega, kui kompressor enam ei tööta siis sellest esimesest astmest ei piisa ja lubasin puldist ka teise tenni järgi aga jama ongi selles, et ta lihtsalt ei lülita teist ega ka kolmandat tenni järgi kui selleks loa annan. Miskipärast nätab ka Nibe Uplink server, et töötab ja on lubatud kasutada üks tenn kuigi mina olen puldist loa andnud näiteks kõigile kolmele. Nibe menüü on ajuvabalt mahukas ja keeruline aga hetkel tundub mulle, et rohkemat ma puldist miskit muuta ei saa.
Ehk on siin foorumis keegi kes jagab neid Nibe masinaid, ja oskab aidata seadistamisel. Ise kahtlustan tarkvara viga. Olen alati usinalt seda uuendanud ja muutunud on just see lisakütte menüü.
Siseosa mudel on nibe ba-svm 10-200.
- nexus4
- Korralik postitaja

- Postitusi: 198
- Liitunud: 06 Jaan 2023, 11:23
- On tänanud: 3 korda
- On tänatud: 15 korda
Re: Nibe õhk-vesi soojuspump
Lugemata postitus Postitas Fixed »
Selline siis praegu uue tarkvaraga
Nii nägi paar aastat tagasi samade seadetega menüü välja ja siis mäletamist mööda toimis
- nexus4
- Korralik postitaja

- Postitusi: 198
- Liitunud: 06 Jaan 2023, 11:23
- On tänanud: 3 korda
- On tänatud: 15 korda
Re: Nibe õhk-vesi soojuspump
Lugemata postitus Postitas nexus4 »
Pane pilt 4.9.2 ja 4.9.3
Ega pole ühendatud voolutrahvosid?
Re: Nibe õhk-vesi soojuspump
Lugemata postitus Postitas Fixed »
olen valinud ka ainult lisaküte aga ikka töötab ainult esimeses astmesnexus4 kirjutas: 04 Jaan 2024, 23:31 Kas 4.2 on auto?
Pane pilt 4.9.2 ja 4.9.3
Ega pole ühendatud voolutrahvosid?
Siin jookseb hetkel tehaseseade. Kahte alumist näitu olen proovinud madalamaks kruttida, et sundida lisakütet järgi. Hakkabki tööle aga ikka esimeses astmes.
Siin pildil hetkel kõik kolm väljas. Mistahes valikute puhul lülitub plõksuga sisse ainult kõige vasakpoolsem.
Voolutrahvosid ühendatud ei ole.
- nexus4
- Korralik postitaja

- Postitusi: 198
- Liitunud: 06 Jaan 2023, 11:23
- On tänanud: 3 korda
- On tänatud: 15 korda
Re: Nibe õhk-vesi soojuspump
Lugemata postitus Postitas nexus4 »
1) Just in case võiks igaks juhuks "lisakütte astmete ajavah" näiteks 1DM peale panna ja pikema perioodi peale kontrollida.
2) sama loll ja lihtne oleks seade restartida või pigem üldse tehaseseaded teha <- peaaegu välistada tarkvara/seadistuste viga
3) füüsiliselt kontaktori korrasolekut kontrollida <- välistada füüsiline viga
16A valiku puhul kolmas kontaktor ei rakendugi (isegi kui 9kw valida), toite saavad kõik kontaktorid 2 faasi pealt, ühe faasi taga 2x1.5kW kontaktori kohta. <- selles suhtes et kui juhuslikult peakski kontaktor õhtal olema (vähetõenäoline) siis vähemalt kohe töökorras võtta
-
Coolhouse
- Ehitusveteran

- Postitusi: 1078
- Liitunud: 12 Sept 2008, 14:19
- On tänanud: 1 korda
- On tänatud: 30 korda
Re: Nibe õhk-vesi soojuspump
Lugemata postitus Postitas Coolhouse »
2. Seal on pildil näha:
Kraad minutite seadistus.
Käivita muu lisaküte 400 DM
Lisakütte astmete vahe 20 DM
Süsteem on nii nagu maratoni jooksjal. Enne võistlust on jooksja paika pannud kui palju meetreid ta minutis jookseb. Kui nüüd 20ndal kilomeetril hakkab tempo langema siis antakse jooksjale juua, dopingut jne. Kui tempo paraneb ja jooksja püsib graafikus siis teda rohkem ei aidata. Kui ikkagi tempo langeb siis mingi aja möödudes doping kogust suurendatakse.
Ehk esimene tenn rakendub ja kui minutis vesi piisavalt kraade soojeneb siis teine tenn ei rakendugi. Kui ikkagi vaja siis mingi aja (20DM) pärast asub teine tenn appi.
3. See mida sa lubad programmist on igapäevane töö. Kui -20C külma siis rakendub kaitselülitus. See on eraldi lülitus.
Kui arvad et 1 tenn on vähe siis võib mõni elektrik sind aidata.
Kontaktori mähise pinge läheb A1 klemmile. Võimalik on teistel käivititel võtta A1 juhtmed lahti ning otsad isoleerida. Kui nüüd ühendada töötava käiviti A1 teiste käivitite A1 klemmidega siis hakkavad teised tennid ka tööle.
Igaks juhuks peaks A1 otsa juurest vaatama markeeringut et kõik mähised on sama pingega nt 230V.
Kui külm möödas võib otsad tagasi ühendada.
Müük, hooldus. info@coolhouse.ee
-
kunn24
- Ehituspenskar

- Postitusi: 4384
- Liitunud: 11 Veebr 2018, 14:45
- On tänanud: 48 korda
- On tänatud: 146 korda
Re: Nibe õhk-vesi soojuspump
Lugemata postitus Postitas kunn24 »
Re: Nibe õhk-vesi soojuspump
Lugemata postitus Postitas Fixed »
Lisakütte astmete ajavahe min näidu saab panna 10DM, vähemaks ei saa.nexus4 kirjutas: 05 Jaan 2024, 11:41 Jään vastuse võlgu kahjuks.
1) Just in case võiks igaks juhuks "lisakütte astmete ajavah" näiteks 1DM peale panna ja pikema perioodi peale kontrollida.
2) sama loll ja lihtne oleks seade restartida või pigem üldse tehaseseaded teha <- peaaegu välistada tarkvara/seadistuste viga
3) füüsiliselt kontaktori korrasolekut kontrollida <- välistada füüsiline viga
16A valiku puhul kolmas kontaktor ei rakendugi (isegi kui 9kw valida), toite saavad kõik kontaktorid 2 faasi pealt, ühe faasi taga 2x1.5kW kontaktori kohta. <- selles suhtes et kui juhuslikult peakski kontaktor õhtal olema (vähetõenäoline) siis vähemalt kohe töökorras võtta![]()
Üldiselt olen kõik need pakutud variandid juba varem läbi käinud. Kontaktorid sai just täna kontrollitud.
Tempo oli üleeile öösel terve öö languses. Need kraad minutid olid ammu üle 600 aga üle esimese astme ei läinud. Hommikul, kui külm veidi rauges siis tuli kompressor taas appi ja kõi ok. Mäletan, et kui oli esimene talv selle pumbaga siis klõpsis kohe mitu astet sisse. Sooja pärast ma ei muretsegi. Selle esimese astme(3kw) suudab põrandas ja radiaatorites hoida ca 31kraadist vett ehk siis ära ei külmu. Lisaks on mul korralik kamin ja soojamüüriga pliit olemas. Hetkel on piisanud kord päevas kaminasse tuli teha.Coolhouse kirjutas: 05 Jaan 2024, 12:21
Süsteem on nii nagu maratoni jooksjal. Enne võistlust on jooksja paika pannud kui palju meetreid ta minutis jookseb. Kui nüüd 20ndal kilomeetril hakkab tempo langema siis antakse jooksjale juua, dopingut jne. Kui tempo paraneb ja jooksja püsib graafikus siis teda rohkem ei aidata. Kui ikkagi tempo langeb siis mingi aja möödudes doping kogust suurendatakse.
Ehk esimene tenn rakendub ja kui minutis vesi piisavalt kraade soojeneb siis teine tenn ei rakendugi. Kui ikkagi vaja siis mingi aja (20DM) pärast asub teine tenn appi.
Mure rohkem tarbeveega. Seda see 3kw reziim soojaks kütta ei suuda. Puuküttega saun ka koos boileriga olemas aga sealt lasin tedlikult enne suuri külmasid veed välja. Ehk siis mõtlen praegu ette, et kui tulevikus peaks mitu nädalat jutti suurt külma tegema siis sooja vett toast ei saa.
Ei.kunn24 kirjutas: 05 Jaan 2024, 12:40 Kas Nibel tõesti kooralikku tehnilist tuge Eestis pole? Eeldus peaks olema, et sellisele küsimusele tuleb pädevalt isikult soovitus/ vastus sekunditega.
Varasem kogemus palju lihtsamate muredega on näidanud, et ei ole. Nad ei tunne oma masinaid vaid mõnikord peab neid ise harima.
- nexus4
- Korralik postitaja

- Postitusi: 198
- Liitunud: 06 Jaan 2023, 11:23
- On tänanud: 3 korda
- On tänatud: 15 korda
Re: Nibe õhk-vesi soojuspump
Lugemata postitus Postitas nexus4 »
Talupojaloogika järgi on jah kõige lihtsam K1'te juhtiv kaabel jätkata K2 külge ja asi ants
-
kunn24
- Ehituspenskar

- Postitusi: 4384
- Liitunud: 11 Veebr 2018, 14:45
- On tänanud: 48 korda
- On tänatud: 146 korda
Re: Nibe õhk-vesi soojuspump
Lugemata postitus Postitas kunn24 »
Tekib ikka ja jälle küsimus: Kas sellel on garantii (st vähemalt 2a või palju tootja lubas)?
Lisaküsimus, kas tõesti on see seade nii õnnetu, et alla -15 C praktiliselt ei küta (ilma tennideta)? Kui ja, siis milleks selliseid üldse paigaldate, inimesed? Ostke poest tavaline soojapuhur ja elektriradikad ja teema lahendatud.
Lisaks, neid pandi suure eufooriga viimase gaasikriisi ajal. Kui gaasiühendus ikkagi alles ja katel ka garaazhis tolmu kogumas, tasuks äkki mõelda gaasikütte taastamisele. Eriti vaadates tänast elektrihinda.
Re: Nibe õhk-vesi soojuspump
Lugemata postitus Postitas Fixed »
Paigaldusgarantii 2a, masinal 5a. Paigaldatud 3a tagasi. Kus ma kirjutasin, et alla -15 C ei küta?kunn24 kirjutas: 05 Jaan 2024, 14:51 Tekib ikka ja jälle küsismus: Kas sellel on garantii (st vähemalt 2a või palju tootja lubas)?
Lisaküsimus, kas tõesti on see seade nii õnnetu, et alla -15 C praktiliselt ei küta (ilma tennideta)? Kui ja, siis milleks selliseid üldse paigaldate, inimesed? Ostke poest tavaline soojapuhur ja elektriradikad ja teema lahendatud.
Lisaks, neid pandi suure eufooriga viimase gaasikriisi ajal. Kui gaasiühendus ikkagi alles ja katel ka garaazhis tolmu kogumas, tasuks äkki mõelda gaasikütte taastamisele. Eriti vaadates tänast elektrihinda.
Kuni -20C töötab masin laitmatult. Ka ilma tennideta. Null muret ja toad ühtlaselt soojad. Ei näita grammigi jõuetuse märke. Jah elektrikulu on oluliselt suurenenud ja sulatusi teeb ka tavapäraselt tihedamalt aga muidu jumala ok ja olin ennem ostu teadlik, et alates -20C pean täielikult elektriküttekehaga edasi kütma. Selle -20 jutu tõi isegi müügimees ainsa miinusena välja aga mind see ei häirinud. Lihtsalt praegu see küttekeha astmete jama ja seda ma ette ei näinud tõesti. Sain jutule oma paigaldajaga ja paar mõtet tekkis juurde mida proovida.
Eks annan siia teada kui peaksin asja korda saama.
-
kunn24
- Ehituspenskar

- Postitusi: 4384
- Liitunud: 11 Veebr 2018, 14:45
- On tänanud: 48 korda
- On tänatud: 146 korda
Re: Nibe õhk-vesi soojuspump
Lugemata postitus Postitas kunn24 »
Re: Nibe õhk-vesi soojuspump
Lugemata postitus Postitas Fixed »
Ei, kindlasti mitte. Puuküte oli ennem ja on praegugi kõik alles. Midagi pole välja lõhkunud ja ei lõhu ka.kunn24 kirjutas: 05 Jaan 2024, 15:54 Kas Teil oli ka teema, et võtsite gaasikatla maha ja läks see aurumasin asemele?
Soojuspump sai lisaks juurde paigaldatud.
-
Coolhouse
- Ehitusveteran

- Postitusi: 1078
- Liitunud: 12 Sept 2008, 14:19
- On tänanud: 1 korda
- On tänatud: 30 korda
Re: Nibe õhk-vesi soojuspump
Lugemata postitus Postitas Coolhouse »
ES masinatel on küll nii et mida suuremaks väärtuse paned seda uimasemalt tenn rakendub.
Pakuksin et mitte 600 vaid 100 võib huvitav suurus olla.
Müük, hooldus. info@coolhouse.ee
Re: Nibe õhk-vesi soojuspump
Lugemata postitus Postitas Fixed »
Tegin siis tehase seadete taastamise nagu kasutaja nexus4 soovitas kuid see ei olnudki nii lihtne kui arvata võis.
Lõputus menüüdes surfates leidsin vajaliku koha ülesse kus saab tehase seadeid taastada ja siis pakub mulle 3 varianti: Arusaamatu, miks peab küttesüsteemil olema nii palju valikuid, eriti veel seadete taastamiseks. Valisin alguses esimese. Jäi endiselt esimesele astmele tööle aga muutus üllatavalt jõuliseks. 3kw võimsusega tenn sai vee soojendamisega nüüd väga lihtsalt hakkama. Super, minu jaoks oli sellega peamine mure murtud.
Proovisin järgmisena taastada hooldusseadeid. Viimast paigaldatud alluvaid ei teinudki kuna ei julgenud.
Muutus peale taastamist kaitsme suurus 16A asemel 20A. Ja oligi korras. Kui lisakütte käima ajasin lülitas suht kohe teise astme(6kw)sisse. Samas pumbale on paigaldatud C16A kaitse ja kui ma õigesti arvutasin siis 6kw peaks tarbima umbes 15A. Siit ka viimane küsimus, et kui tekib vajadus kasutada lisakütet 6kw astmes siis kas ma peaksin pumbal 16A kaitsme vahetama võimsama 20A vastu? Maja peakaitse on 3x25A.
-
kunn24
- Ehituspenskar

- Postitusi: 4384
- Liitunud: 11 Veebr 2018, 14:45
- On tänanud: 48 korda
- On tänatud: 146 korda
Re: Nibe õhk-vesi soojuspump
Lugemata postitus Postitas kunn24 »
8,7 Akui ma õigesti arvutasin siis 6kw peaks tarbima umbes 15A.
-
aero
- Ehituspenskar

- Postitusi: 2109
- Liitunud: 27 Mai 2010, 10:40
- On tänanud: 86 korda
- On tänatud: 86 korda
Re: Nibe õhk-vesi soojuspump
Lugemata postitus Postitas aero »
Viimane peaks olema juhuks kui sul on paigaldatud mingid lisaseadmed, mida õvsp juhib. Pigem liiga palju valikuid, kui liiga väheFixed kirjutas: 06 Jaan 2024, 00:07 pakub mulle 3 varianti: ...
Arusaamatu, miks peab küttesüsteemil olema nii palju valikuid, eriti veel seadete taastamiseks...Viimast paigaldatud alluvaid ei teinudki kuna ei julgenud.
- nexus4
- Korralik postitaja

- Postitusi: 198
- Liitunud: 06 Jaan 2023, 11:23
- On tänanud: 3 korda
- On tänatud: 15 korda
-
kunn24
- Ehituspenskar

- Postitusi: 4384
- Liitunud: 11 Veebr 2018, 14:45
- On tänanud: 48 korda
- On tänatud: 146 korda
Re: Nibe õhk-vesi soojuspump
Lugemata postitus Postitas kunn24 »
- nexus4
- Korralik postitaja

- Postitusi: 198
- Liitunud: 06 Jaan 2023, 11:23
- On tänanud: 3 korda
- On tänatud: 15 korda
Re: Nibe õhk-vesi soojuspump
Lugemata postitus Postitas nexus4 »
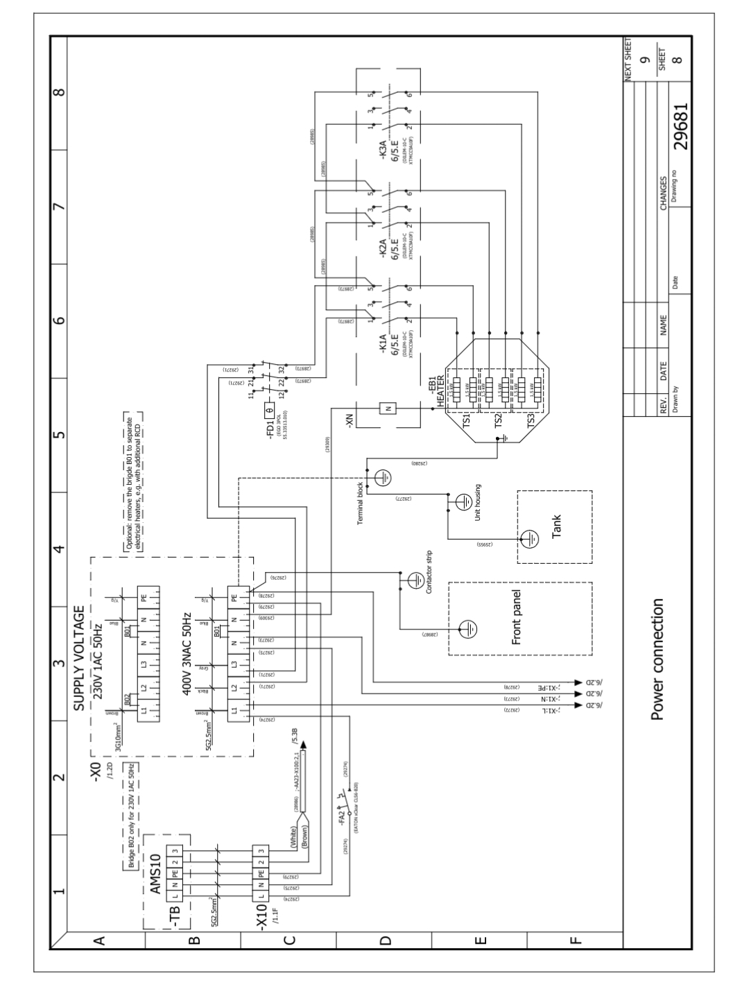
Pildilt näha juba, et kaks faasi tennidele. Skeemil sama, üks faas kompressorile kaks tennidele.
-
kunn24
- Ehituspenskar

- Postitusi: 4384
- Liitunud: 11 Veebr 2018, 14:45
- On tänanud: 48 korda
- On tänatud: 146 korda
Re: Nibe õhk-vesi soojuspump
Lugemata postitus Postitas kunn24 »
Vaata seadme skeemid (väidad, et skeemilt on näha, näita seda siis mulle ka) ja saab kindlalt väita. Või omanik mõõdab voolud ampertangidega.
- nexus4
- Korralik postitaja

- Postitusi: 198
- Liitunud: 06 Jaan 2023, 11:23
- On tänanud: 3 korda
- On tänatud: 15 korda
Re: Nibe õhk-vesi soojuspump
Lugemata postitus Postitas nexus4 »
- Ehitusfoorum
- ↳ Üldfoorum
- ↳ Ahjud, kaminad, korstnad
- ↳ Aiad, väravad
- ↳ Aknad, uksed
- ↳ Betoon ja betoonitooted
- ↳ Ehitustööriistad
- ↳ Ehitusmaterjalid
- ↳ Elekter, elektriseadmed
- ↳ Energiamärgis ja energiaaudit
- ↳ Fassaadide arutelu
- ↳ Katused, laed
- ↳ Hüdroisolatsioon
- ↳ Kaevud
- ↳ Konstruktsioonid, seinad
- ↳ Küttesüsteemid
- ↳ Palkmajad
- ↳ Projekteerimine, projektid
- ↳ Põrandad
- ↳ Puit ja puidutooted
- ↳ Restaureerimine
- ↳ Seadusandlus
- ↳ Soojustus, isolatsioon
- ↳ Saunad, dussiruumid, vannitoad, sanitaartehnika
- ↳ Siseviimistlus, värvid, plaatimistööd
- ↳ Ventilatsioon
- ↳ Veevarustus, kanalisatsioon, käimlad
- ↳ Vundamendid
- ↳ Naljanurk
- ↳ Arhiiv
- Ärifoorumid
- ↳ Otsin tööd
- ↳ Pakun tööd
- ↳ Ostu-müügifoorum
- ↳ Annan/võtan rendile
- ↳ Hinnapäring
