Päikesepaneelide inverteri ühendamine

Siia ei postita ostu-müügi kuulutusi!
ping
Ehituspenskar
Ehituspenskar
Postitusi: 6067
Liitunud: 28 Jaan 2016, 10:35
On tänanud: 112 korda
On tänatud: 294 korda

Re: Päikesepaneelide inverteri ühendamine

Lugemata postitus Postitas ping »

Kalvis kirjutas: 13 Juul 2023, 15:37
kunn24 kirjutas: 13 Juul 2023, 14:00
3x400V väljundastmega inverter ei saa füüsiliselt väljastada ühte faasi erineva väärtusega voolu.
Selle tõdemusega lõpetaks siin teemas selle küsimuse arutamise. Eespool on viiteid ja argumente küllalt esitatud.
Kuna inverter on juba olemas siis jah aga lükkaks eelmise valeväite ümber.
3f inverter suudab igat faasi eraldi kontrollida. Seega tahtmise korral on faasivoolu reguleerimine võimalik. Iseasi kas inverteri valmistaja oskab tahab ja suudab seda teha.
Siin on tavalise (odava) trafota 3F 3x400V inverteri põhimõtteskeem, kus on näha et PV paneelist tulnud vool ei läbi inverteri neutraali juhti.

Ja seega peab TRAFOTA 3x400V kolmnurk ühenduses inverteri ühe faasi vool läbima alati teiste faaside juhtmeid ja ühe faasi väljundi voolu, kui ainult üks faas on 1F tarbijaga koormatud, eraldi 100% juhtida ei saa.

Siit on ka vast arusaada, et miks sellise inverteri PV sisendi MPPT pinge peaks olema üle 3F liinipinge max väärtuse.
Pilt

Algusajal olen paigaldanud ka mõned trafoga 3F invertereid (tänapäeval selliseid ei kasutata), millede 9kW inverteri kaal oli ca 50kg ja need väljastasid 3x230V tähes.
:hello:
Kõik ohutustehnika reeglid on kirjutatud kellegi verega!!!
kunn24
Ehituspenskar
Ehituspenskar
Postitusi: 3925
Liitunud: 11 Veebr 2018, 14:45
On tänanud: 42 korda
On tänatud: 134 korda

Re: Päikesepaneelide inverteri ühendamine

Lugemata postitus Postitas kunn24 »

Siit on ka vast arusaada, et miks sellise inverteri PV sisendi MPPT pinge peaks olema üle 3F liinipinge max väärtuse.
Tegelikult Upv>=U(l-n)*2*sqrt2=230*2*1,4=651 V

Kui 3-f inverterite teh andmeid vaatad, siis nii ongi.

1-f inverter saab hakkama 325- 360 V-ga (2x väiksemaga).
Juhe teab kõike.
new1
Ehitusspets
Ehitusspets
Postitusi: 674
Liitunud: 18 Mär 2011, 17:40
On tänatud: 21 korda

Re: Päikesepaneelide inverteri ühendamine

Lugemata postitus Postitas new1 »

Ei pea ilmtingimata üle selle väärtuse olema, skeemiski näha boost osa, mis madalamal pingel paneelide pinge ülespoole muundab seal vajadusel.
Kalvis
Ehituspenskar
Ehituspenskar
Postitusi: 11456
Liitunud: 03 Veebr 2008, 14:02
On tänanud: 4 korda
On tänatud: 327 korda

Re: Päikesepaneelide inverteri ühendamine

Lugemata postitus Postitas Kalvis »

3f inverterit tähtühenduses koostatuna saab kenasti teha faasikaupa. Kui saa viskad jah kolmnurgas oleva skeemis siis neutraali puudumise tõttu ei saa - kuna siis läheksid pinged paigast ära...
ping
Ehituspenskar
Ehituspenskar
Postitusi: 6067
Liitunud: 28 Jaan 2016, 10:35
On tänanud: 112 korda
On tänatud: 294 korda

Re: Päikesepaneelide inverteri ühendamine

Lugemata postitus Postitas ping »

Kalvis kirjutas: 14 Juul 2023, 05:49 3f inverterit tähtühenduses koostatuna saab kenasti teha faasikaupa. ...
Muidugi teoreetiliselt saab, kui see tootjale on kasulik ja kui tekkib piisav nõudlus ning klient on nõus selle eest ka maksma.

Selles see jama ongi, et senimaani on praktiliselt kõik 3f inverterid toodetud sümeetrilise, kolmnurk lülituses inverteritena ja pea 100% tarbijaid on see seni rahuldanud.
Kellel oli vaja 2F või 3F faaside kaupa juhitavat tootmist, need kasutasid 1F invertereid paraleelis.

Faaside kaupa juhtimise probleem on laiema tähelepanu alla jõudnud alles hiljaaegu, kui seoses paneelide ja akude odavnemisega on hakatud paigaldama üha võimsamaid ja kliendi omatarvet tunduvalt ületavaid PV seadmeid.

Kuumas kliimas, kus on põhimass PV kasutajaid ja kus põhiline kodu päevane energiatarbija on kliimaseadme jahutus aga võrku toota energiat ei tohi kasutatakse "solar hübriid kliimaseadmeid" või 1f inverterit ja neid senimaani ei huvitanud faaside kaupa juhtimine.
https://www.google.com/search?newwindow ... 17&dpr=1.5

Kui keegi soovib põhjamaal, lõunamaa kliimasse toodetud 3F sümmeetrilise väljundiga inverterist, ühefaasilist koormust toita, siis see on "seadme mitte eesmärgipärane kasutamine".
:hello:
Kõik ohutustehnika reeglid on kirjutatud kellegi verega!!!
Kalvis
Ehituspenskar
Ehituspenskar
Postitusi: 11456
Liitunud: 03 Veebr 2008, 14:02
On tänanud: 4 korda
On tänatud: 327 korda

Re: Päikesepaneelide inverteri ühendamine

Lugemata postitus Postitas Kalvis »

Oled jälle kordamisega tagasi. 3f (tähtühenduses - muidu ei teki faasi kaupa voolu) inverterit saab kenasti teha iga faas eraldi ja ei nõua midagi muud kui inverteri softis lisatarkust (iga faasivoolu reguleeritakse eraldi mitte sümmeetriliselt)
Kui elektrivõrgus poleks juuksekarva lõhkiajamist arvestivendade poolt siis polekski vaja - piisaks ju kui 3f ühenduse balanss oleks null aga näe - nemad mõõtmisega asja ajavad siis tuleb ka PP omanikel sama teha.
ping
Ehituspenskar
Ehituspenskar
Postitusi: 6067
Liitunud: 28 Jaan 2016, 10:35
On tänanud: 112 korda
On tänatud: 294 korda

Re: Päikesepaneelide inverteri ühendamine

Lugemata postitus Postitas ping »

Kalvis kirjutas: 15 Juul 2023, 07:09 Oled jälle kordamisega tagasi. 3f (tähtühenduses - muidu ei teki faasi kaupa voolu) inverterit saab kenasti teha iga faas eraldi ja ei nõua midagi muud kui inverteri softis lisatarkust (iga faasivoolu reguleeritakse eraldi mitte sümmeetriliselt) ...
Kas tahad selle järjepideva kordamisega öelda, et hakkad ise tegema inverterit, kuna see on ju "nii lihtne"?

Mõttetu digiprügi tootmise asemel võiksid parem näidata, et milline Elektrilevi nimekirjas olev 3F inverter on tähtühenduses (ebasümeetrilise) väljundiga.
:hello:
Kõik ohutustehnika reeglid on kirjutatud kellegi verega!!!
Kalvis
Ehituspenskar
Ehituspenskar
Postitusi: 11456
Liitunud: 03 Veebr 2008, 14:02
On tänanud: 4 korda
On tänatud: 327 korda

Re: Päikesepaneelide inverteri ühendamine

Lugemata postitus Postitas Kalvis »

Olen teinud. Ise kirjutasin inverterile softi. 3f tähtühenduses. autonoomsed tarbijad (3f/1f).
Poe omadel pole ju softi ega sisu avaldatud. Ja pea võimatu on manuaalist võimekust välja lugeda.
Kuna pean ettevõttele neid ostma siis need on 3f ja töötavad vabalt aga nende hinnaklass on vähemalt 10x kallim (ja ei ole päikese omad). Seega nende mudelitest siin pole kasu (ja neil pole kohe kindlasti seda mida soovitakse)
kunn24
Ehituspenskar
Ehituspenskar
Postitusi: 3925
Liitunud: 11 Veebr 2018, 14:45
On tänanud: 42 korda
On tänatud: 134 korda

Re: Päikesepaneelide inverteri ühendamine

Lugemata postitus Postitas kunn24 »

Täna oli vaja kaugujuhtimise teel juhendada koduperenaisi oma invertereid välja lülitama (Sofari saast pole distantsilt hallatav). Saatsid oma kilbiruumidest pilte ja mida nägin? Mitte ühelgi sildil pole kirjas, kust mida ja MILLISES JÄRJEKORRAS lülitada. Kilbi kaanel kaitselahutuse hüüdlause on täiesti jabur- pole üldse aru saadav, mida tuleb lahutada. Lihtsalt kantud kleebisele suvaline tekst ja asetatud kleebis suvalisse kohta.
Resized_IMG-20230716-WA0001_60396169921958.JPG
Resized_IMG-20230716-WA0000_60363802668168.JPG
Viimati muutis kunn24, 16 Juul 2023, 20:18, muudetud 1 kord kokku.
Juhe teab kõike.
rannamees
Ehitusspets
Ehitusspets
Postitusi: 404
Liitunud: 21 Jaan 2013, 20:28
On tänanud: 153 korda
On tänatud: 8 korda

Re: Päikesepaneelide inverteri ühendamine

Lugemata postitus Postitas rannamees »

kunn24 kirjutas: 16 Juul 2023, 15:26 Mitte ühelgi sildil pole kirjas, kust mida ja MILLISES JÄRJEKORRAS lülitada.
Kordame siis siia ka puust ja punaselt, et mida ja mis järjekorras korrektne välja/sisse lülitus käib:
kunn24
Ehituspenskar
Ehituspenskar
Postitusi: 3925
Liitunud: 11 Veebr 2018, 14:45
On tänanud: 42 korda
On tänatud: 134 korda

Re: Päikesepaneelide inverteri ühendamine

Lugemata postitus Postitas kunn24 »

Inverteril lülitada välja võrgulüliti. Kui on korrektne paigaldis, siis sellel on vastav tähistus.
Soovitav teha seda halduse äpist, kui on võimalus.

Saartalitluse kaitse on inveteril reeglina töös, st siis ta lülitub ka ise välja.
Mu pandud alumine pilt peletab koduperenaise sellega sarnasest lülitist kohe eemale (ega ta päästjaidki sinna ei suuna) ja ülemine justkui suunab paneele lülitama (koormuse all lahutamine võib selle lüliti maha põletada).
Juhe teab kõike.
kunn24
Ehituspenskar
Ehituspenskar
Postitusi: 3925
Liitunud: 11 Veebr 2018, 14:45
On tänanud: 42 korda
On tänatud: 134 korda

Re: Päikesepaneelide inverteri ühendamine

Lugemata postitus Postitas kunn24 »

Huaweil on Backup box, mis on vajalik inverteri lülitamsieks Offgrid'i.
Lisas näide, kui palju oli originaalis lollust (redigeeritud on 1-f varianti), mis tuli kõik välja rookida ehk originaali muretsemisel kalli raha eest puudus igasugune mõte.

Lisas pildid algsest skeemist, väljaroogitud jamast, illustreerimiseks 3-f montaazh (3 arulagedat ja elektrit neelavat kontaktorit, 1-f variandil on need samuti) ja 3-f skeem võrdluseks.
backup box b0 .jpg
backup box b0 muud.jpg
backup box b1 .jpg
Backup box.jpeg
Juhe teab kõike.
kunn24
Ehituspenskar
Ehituspenskar
Postitusi: 3925
Liitunud: 11 Veebr 2018, 14:45
On tänanud: 42 korda
On tänatud: 134 korda

Re: Päikesepaneelide inverteri ühendamine

Lugemata postitus Postitas kunn24 »

Tehtud ta saigi ja töötab. Lisatud on Shelly jubin, milles on script, mis lükkab elektrihinna 0,7 S/kWh puhul inverteri Offgridi. Saab ka lülitada äpist.
Tehase porri asemel on kõige suuremad komponendid 3 kaitselülitit iga ahela ees eraldi. Leidsin riiulist 3f kaitselüliti, seda sai veidi ratsitud.
Skeemi sai veidi muudetud.
IMG_0099.jpg
IMG_0100.jpg
IMG_0101.jpg
Juhe teab kõike.
hajameelne
Regulaarpostitaja
Regulaarpostitaja
Postitusi: 78
Liitunud: 13 Dets 2007, 18:41
On tänanud: 7 korda
On tänatud: 3 korda

Re: Päikesepaneelide inverteri ühendamine

Lugemata postitus Postitas hajameelne »

Leidsin millalgi sellise kirjelduse 1f Huawei BackUpBox -i toimimise kohta. Ehk jah, on võimalik kaitse liiasust vähendada aga kas KT1 (aegrelee) ära jätmine on mõistlik või toimib see sul läbi kaitselüliti käsitsemise?
backup box.docx
(12.64 KiB) Allalaaditud 128 korda
kunn24
Ehituspenskar
Ehituspenskar
Postitusi: 3925
Liitunud: 11 Veebr 2018, 14:45
On tänanud: 42 korda
On tänatud: 134 korda

Re: Päikesepaneelide inverteri ühendamine

Lugemata postitus Postitas kunn24 »

KT 1s viide pani mind kukalt kratsima ja kuna lülitamiste vahel inverterilt pinge kadumine on kontrollitud pisikese vahereleega KM3 (kontaktorit enam pole, kuid arusaadavuse mõttes ma ringi ei nimetanud), siis oma konstrueerimisbüroo Tarkadega klubiga konsulteerides sai KT-st loobutud. Kui oletada, et KT oleks olemas, siis võrgu võimalike lülitusjurade tõttu tehakse KA kaudu inverter "pimedaks" ja lülitukestus pikeneb. Inverter ise siis kohe pinget ei anna, seal on 3- 5 s viide- kui hakkad võrgu poolt "narrima". Eesmärk oli ka iga kahtlane ja mõttetu energiat neelav koli välja loopida, sest releeskeemis mida rohkem koli, ahelates kontakte- seda võimalikult rohkem jamasid ja elektriraiskamist.

KM1 ja KM2 mingi ohutuse nimel dubleermine on nii andekas jutt, et anna padruneid (pean silmas su viidatud juttu). Kui peakski juhtuma halvim (sünkroniseerimata ahelate kokkulülitamine), siis inverteri ahelas on kaitselüliti B25 ning inverteris endas ka kaitselülitus.
Skeemi töötamise eeldus on, et KM1 NC abikontakt läheks enne lahti, kui NO põhikontaktid rakenduvad. See on konkreetse kontaktori puhul täidetud.

Teispidi töötab skeem nii, et inverter tuvastab ära saartalitluse ja võtab ise pinge maha. HVRT ja LVRT peavad olema välja lülitatud, muidu hakkab nalja saama (paar korda läks pinge 265 V kanti).

Elektroonikaga kontaktoreid võiks vältida, kuna need on allapoole arvestust skeemitehnikaga. Naiivse inimesena arvasin ABB-d olema kvaliteetne, kuid 1. inverteri pingeimpulsi peale pani see lusika kotti. Tuli otsida sahtlipõhjast välja vana GE minikontaktor ja selle kontaktid puhtaks küürida ning abikontakt NC-ks ümber keerata.

Lülitamisel kujunes parajaks peavaluks maja ruuteri toite katkemise tõttu selle uuesti käimaminek, kuid sellele leidsin lahenduse, ühendasin ta toite signa pealt (selles on 12 V aku). ONT peab samuti panema signa toite pealt.

Tuvastasin HW WIFI-Dongle võrguosas vea, LAN-i ühendus kaabli ja staatilise IP-ga ei läinud ise käima (ainult DHCP-ga käivitus, aga siis ronis TIHTI ka KST mis aadressile ja tuli ühendus korduvalt luua). Saatsin Hepldeskile kobina, need pakkusid uue jubina. Mul oli sahtlis uus samuti olemas, keerasin külge, sama teema. Küsin, kas tulevad oma saastale iga kord peale ruuteri ülestulekut kaablit pordist sikutama ja tagasi toppima? Vaikisid. Ju ei taha tulla.

Lühidalt, võrguühendus on SAAST. Kellele see oluline, hääletage HW puhul jalgadega.
1 võrguühendus ja 3 päeva ajuvaba jama. Rohkem ei soovi.
Modbus TCP töötab 3-f inverteril üle WIFI ja kaabli, 1-f seadmel vaid üle kaabli. Hästi ebaühtlne tootmiskäekiri, palju vigu ja super olematu tehniline tugi. Tehasega bugide osas ei suhelda, pigem vaikitakse ja tehakse nägu, nagu ei saadaks üldse aru.
Juhe teab kõike.
ping
Ehituspenskar
Ehituspenskar
Postitusi: 6067
Liitunud: 28 Jaan 2016, 10:35
On tänanud: 112 korda
On tänatud: 294 korda

Re: Päikesepaneelide inverteri ühendamine

Lugemata postitus Postitas ping »

Enne suvalise inverteri ostmist tasuks põhjalikult uurida kasutusjuhendit, et ei sattuks sellise üllatuse otsa.
(Kusjuures kasutusjuhendites ei pruugi ka olla kõik vajalikud funktsioonid täielikult kirjeldatud.)
Antud võrkutootev hübriidinverter on EU laos olemas ja seepärast saab seda osta soodsama hinnaga.
ERALDUSTRAHVOGA.png

10kW eraldusrafvo on vist kindlasti kallim, kui inverter ise.
:hello:
Kõik ohutustehnika reeglid on kirjutatud kellegi verega!!!
kunn24
Ehituspenskar
Ehituspenskar
Postitusi: 3925
Liitunud: 11 Veebr 2018, 14:45
On tänanud: 42 korda
On tänatud: 134 korda

Re: Päikesepaneelide inverteri ühendamine

Lugemata postitus Postitas kunn24 »

Nende Hiina saastade jamade üles lugemiseks peab olema täis töökoht ja ilma uneajata.
Tüübid panevad täiesti tuima kuidagi kokkuklopsitud ja testimata tarkvaradega. Hiina on kaugel, keegi kohale ei sõida ja ei anna peksa.
Huaweil näiteks triviaalne võrguühenduse viga, kui määrad fiks IP ja ruuter korraks järelt toite katkemise tõttu ära käib, siis ühendust enam tagasi ei tule. Väänad seadistusest DHCP järgi küsimise tööle, saab adre, aga sobimatu. Siis lükkad DHCP välja, paned käsitsi õige ja ühendab ära tagasi.
See on nii põhimõtteline viga, et kui oleks tõsiste võrguseadme puhul, oleks tootja bensiiniga kiirelt üle valatud ja rohkem seda firmat poleks.

Hetkel vaatan 10 kW Goodwe ET seeria inverteri toimetamist (unbalanced output), aku pealt töötades faase nullis hoida ei suuda, läheb võnkuma, kui koormus muutub, toodab pidevalt ligi 0,5 kVar reaktiivenergiat, milline info on loomulikult tavakasutaja eest peidus. Ehk ebasümeetroilise väljundiga 3-f inverter ei pruugi teha seda, mida tootja kõva hääle lubas ja tegelikult teeb kurat teab mida.

Kirss tordile oli täna üllatus, kui määrasin akude laadimise alguseks kell 11, siis laadis juba päikese väljatulekust alates.
Täiendus, selgus, et see tähendas võrgust laadimist.
Veel täiendus, muutsin tagasi nn general mode-sse, siis jätkas võrgust laadimist. :banghead:
Muud jama lihtsalt viitsi üles lugeda (seadistuste tõrked, ei saa inveteriga ühendust jne). Viimane Goodwe, ei soovita kellelegi sellega aega raisata.
Juhe teab kõike.
hajameelne
Regulaarpostitaja
Regulaarpostitaja
Postitusi: 78
Liitunud: 13 Dets 2007, 18:41
On tänanud: 7 korda
On tänatud: 3 korda

Re: Päikesepaneelide inverteri ühendamine

Lugemata postitus Postitas hajameelne »

Mul on Huawei SUN2000-8KTL M1 ja kuigi erinevad tarkvara versioonid viskavad vimkasid, on ta minu jaoks oluliselt inimsõbralikuma kasutajaliidesega ja muidugi ka rohkemate võimalustega, kui mu teine SMA-STP5.0-3AV-40. Kuna SMA -l ei saa midagi huvitavat (isegi adminni õigustega) sättida, siis vimkade kohta lihtsalt puudub info. Oskaks Huaweil lubada akut laadida ka ainult lõunase päikesepaiste ajal ja muidu istuda max omatarbe peal, siis oleks elu päris ilus.

Mõlemal on ruuteri poolt antud fiks aadress ja ühenduvuse probleemi pole esinenud. Ruuteriks on mingi Mikrotiku AP. Huaweiga käib ühendu läbi tema usb dongli.
kunn24
Ehituspenskar
Ehituspenskar
Postitusi: 3925
Liitunud: 11 Veebr 2018, 14:45
On tänanud: 42 korda
On tänatud: 134 korda

Re: Päikesepaneelide inverteri ühendamine

Lugemata postitus Postitas kunn24 »

Piira Huaweil laadmisvõimsus vastuvõetavale tasemele ja unusta muude sätetega aku haldamine, selle proged on nii mõttetult tehtud.
Mul on näiteks pandud 500 W-ga laadima. Säästab ka akusid.

Fix IP-sid määratakse seadmes, ruuterisse on vaja märget juhul, kui jääb DHCP basseini või suunamiseks.
Kui muule kräpile oled ringi peale teinud, veendud, et Huawei on täeisti ok asi, va mõned jamad.

Samas tunduvad Huawei akud olema paras petukaup, sest inverteri teh dokudes on jutt läbivalt kõrgepingeakudest, kuid reaalis on akude pinge nimiväärtusena 48 V ja akude peal on pingemuundur, mis on pidevalt soe (ligi 35 C) ehk raiskab elektrit.

Võrdluseks, Goodwe järgi läks Dynessi torn (konkreetselt T17), mis on jahe ja annab 500 V ilma muundamata.

Leidisin Huawei L1 mudeli (ühefaasilised) ühendamiseks erinevatele faasidele venekeelsest kasutusjuhendist (ingliskeelses on vastupidi käsk panna kaskaadi samale faasile). Kuidas sinna paneele ja akusid ühendada, sellest juhend vaikis või ma ei leidnud.
3 ühefaasilist.JPG
Juhe teab kõike.
KKA
Regulaarpostitaja
Regulaarpostitaja
Postitusi: 98
Liitunud: 13 Okt 2011, 11:17
On tänatud: 4 korda

Re: Päikesepaneelide inverteri ühendamine

Lugemata postitus Postitas KKA »

kunn24 kirjutas: 25 Juul 2023, 23:55 Huaweil näiteks triviaalne võrguühenduse viga, kui määrad fiks IP ja ruuter korraks järelt toite katkemise tõttu ära käib, siis ühendust enam tagasi ei tule. Väänad seadistusest DHCP järgi küsimise tööle, saab adre, aga sobimatu. Siis lükkad DHCP välja, paned käsitsi õige ja ühendab ära tagasi.
Määra ruuterist wifi dongle'i MAC aadressi järgi DHCP reserveering, ja jäta dongel DHCP peale - või see variant probleeme tekitabki?
KKA
Regulaarpostitaja
Regulaarpostitaja
Postitusi: 98
Liitunud: 13 Okt 2011, 11:17
On tänatud: 4 korda

Re: Päikesepaneelide inverteri ühendamine

Lugemata postitus Postitas KKA »

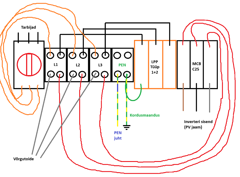
Tahaks omale peale PV jaama paigaldust inspektori kutsuda, kes el-paigaldise oma täies hiilguses auditeeriks, aga tegin kilbis ühe põhimõttelise muudatuse, mis äkki ei ole lubatud. Nimelt paigaldasin kilpi igale sisenevale faasile hargmiku (hargmikul 4 klemmi: võrgutoide, inverteri toide, liigpingepiirik, pealüliti sisend), võib-olla paigaldasin hargmikud valesti, kuna kilbi PEALÜLITI ei ole enam PEALÜLITI, see on nüüd hoopis MAJA lüliti, mis lahutab võrgust maja tarbijad, aga päikesejaam jääb PEALÜLITI väljalülitamisel ikka võrguga ühendatuks - päikesejaama lahutamiseks tuleks välja lülitada päikesejaama 3P25 automaat. Kas selline lahendus on aktsepteeritav või täielik ämber ja peaks võrgutoite otsad ikka pealüliti klemmidele tagasi ühendama?

Võib-olla piisab kui kilpi tekitada teavitus, et elektritööde ajaks välja lülitda nii PEALÜLITI kui ka PV-JAAM?
nii on tehtud
nii on tehtud
äkki peab ümber tegema selliseks?
äkki peab ümber tegema selliseks?
kunn24
Ehituspenskar
Ehituspenskar
Postitusi: 3925
Liitunud: 11 Veebr 2018, 14:45
On tänanud: 42 korda
On tänatud: 134 korda

Re: Päikesepaneelide inverteri ühendamine

Lugemata postitus Postitas kunn24 »

KKA kirjutas: 12 Okt 2023, 16:41
kunn24 kirjutas: 25 Juul 2023, 23:55 Huaweil näiteks triviaalne võrguühenduse viga, kui määrad fiks IP ja ruuter korraks järelt toite katkemise tõttu ära käib, siis ühendust enam tagasi ei tule. Väänad seadistusest DHCP järgi küsimise tööle, saab adre, aga sobimatu. Siis lükkad DHCP välja, paned käsitsi õige ja ühendab ära tagasi.
Määra ruuterist wifi dongle'i MAC aadressi järgi DHCP reserveering, ja jäta dongel DHCP peale - või see variant probleeme tekitabki?
Ma nagu ei taibanudki, et fix IP peaks jätma DHCP basseini. Pole varem sellise koogel-moodeliga tegelnud. Kui asi tõsiselt närvidele hakkab, vb olla siis tulebki teha. Hetkel toitsin ruuteri ja ONT signa toiteliinilt, millel on akuga varutoide. Probleemi pole kordagi, kui inverter 0-st käima läheb.
Juhe teab kõike.
KKA
Regulaarpostitaja
Regulaarpostitaja
Postitusi: 98
Liitunud: 13 Okt 2011, 11:17
On tänatud: 4 korda

Re: Päikesepaneelide inverteri ühendamine

Lugemata postitus Postitas KKA »

kunn24 kirjutas: 12 Okt 2023, 18:30 Ma nagu ei taibanudki, et fix IP peaks jätma DHCP basseini. Pole varem sellise koogel-moodeliga tegelnud. Kui asi tõsiselt närvidele hakkab, vb olla siis tulebki teha. Hetkel toitsin ruuteri ja ONT signa toiteliinilt, millel on akuga varutoide. Probleemi pole kordagi, kui inverter 0-st käima läheb.
ei, staatilist IP'd ärge DHCP basseini ulatusse pange. DHCP'l on omadus nimega reserveerimine või staatilised reserveeringud, st seda, et klient, ehk dongle on DHCP reziimis, saab ruuterilt IP, ruuteris reserveerite selle IP ära (jätab meelde dongle MAC aadressi ja seostab IP sellega) ja dongle saab nüüd ja edaspidi alati sama, reserveeritud IP.

osadel ruuteritel saab luua mitu DHCP basseini, kus, siis suures basseinis on kõik seadmed, aga nt inverteri dongle on väikeses 1-IP suuruses basseinis, ehk siis selle IP'ga nagu ta teil täna on staatiliselt määratud.

Teil voib olla muidugi erinev probleem, nähtub, et wifi AP buudib aeglasemalt kui inverteri dongle, voimalik et inverteri dongle proovib peale buuti ainult korra wifisse logida, kui vastava nimega võrku pole siis loobub edasisest proovimisest vms?!
kunn24
Ehituspenskar
Ehituspenskar
Postitusi: 3925
Liitunud: 11 Veebr 2018, 14:45
On tänanud: 42 korda
On tänatud: 134 korda

Re: Päikesepaneelide inverteri ühendamine

Lugemata postitus Postitas kunn24 »

Ei oska öelda, mis temaga täpselt toimub, logisid ei viitsi ja tõenäoliselt ei oska lahata. Nii hetkel toimib nagu panin ja tundub ok. Et täpselt aru saaksite, siis kordan veel kord üle:
-probleemi pole, kui inverter koos donglega käima läheb
-probleem tekib, kui korraks ruuter töötava inverteri tagant ära kaob.
Jaurasin ka Helpdeskiga, seal saadeti tasuta uus dongel
Kui kobisesin, et sama jama, siis otsiti välja selle uus FW, mida enne polnud avalikuks pandud. Sellel tuli donglesse uus graafika, muud hoomatavat tolku polnud.
Üldiselt HW ametlik Helpdesk on Imedepõld omaette, tunduvalt kobedam on Photomate oma.
Juhe teab kõike.
Vasta