1. leht 2-st
Vana süsteemi renoveerimine
Postitatud: 19 Sept 2009, 13:42
Postitas duplex
Ostsime uue Viadrus U26 keskkütteahju ja mõtleme, et paneks paagi ka. Kas on võimalik vabajooksuga keskkütte süsteem lihtsalt teha kinniseks?
Kas selline skeem toimiks?
vana süsteem:
uue ahjuga süsteem:

Re: Vana süsteemi renoveerimine
Postitatud: 19 Sept 2009, 20:31
Postitas Kalvis
Saab ikka. Paisupaak vajab ehk eemaldamist, kuid võibolla peab vastu.
Re: Vana süsteemi renoveerimine
Postitatud: 19 Sept 2009, 23:34
Postitas duplex
Täiustasin natukene skeemi. Võtaks siis lahtise veepaagi maha ja paneks torud kinni? Samuti tuleb leppida esialgu väiksema akupaagiga kui meil esialgu oli plaanitud. Kas muidu antud skeem toimiks? Kui suur võiks paisupaak olla sellisel süsteemil?

Re: Vana süsteemi renoveerimine
Postitatud: 20 Sept 2009, 12:49
Postitas usr1
Tere
Viimane lähenemine on kõige õigem.
Kuigi ehitaksin süsteemi nii, et maja süsteem ja akupaak oleks eraldi süsteem .
Ehk siis kõik mis majast üle jääb läheb akupaaki ning kui katel enam ei küta võtab akupaagist.
Sinu süsteemi kohaselt kütab katel akupaaki kohe ning akupaak maja .
Muidugi pole see süsteem ka paha.
Edu
Re: Vana süsteemi renoveerimine
Postitatud: 20 Sept 2009, 17:37
Postitas duplex
Tänud nõuannete eest.
Arvutasin paisupaagi mahu:
600paak+150 ringluses
750*0,029=21,75
21,75/0,37 = orienteeruv paisupaagi maht 58,78l ???
Kuna ootan ikka veel akupaaki täiustasin skeemi:

Re: Vana süsteemi renoveerimine
Postitatud: 13 Okt 2010, 13:20
Postitas Ostakatel
Pane nüüd tarbimise poole peale termoklapi asemele 3-T ventiil ja automaatika. Siis hakkab see süsteem sul säästma ka.
www.ostakatel.ee
Re: Vana süsteemi renoveerimine
Postitatud: 23 Okt 2010, 20:00
Postitas duplex
Kiiresti skeemi visandades sai omal ajal copy pastega väike sõnaviga tehtud.
Aga muidu mul see süsteem juba aasta aega toimib... 3 t ventiil on seal täiesti olemas aga käsitsi krutitav.
Re: Vana süsteemi renoveerimine
Postitatud: 23 Okt 2010, 22:16
Postitas vaaderman
Ostakatel kirjutas:Pane nüüd tarbimise poole peale termoklapi asemele 3-T ventiil ja automaatika. Siis hakkab see süsteem sul säästma ka.
http://www.ostakatel.ee
soovitan sama
Re: Vana süsteemi renoveerimine
Postitatud: 25 Okt 2010, 01:29
Postitas navigator

- Küttesüsteem.jpg (91.19 KiB) Vaadatud 11734 korda
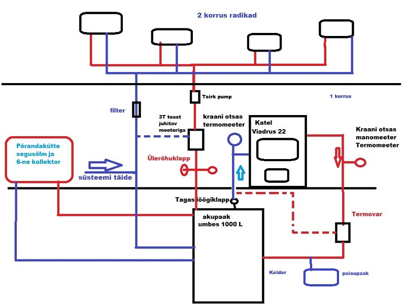
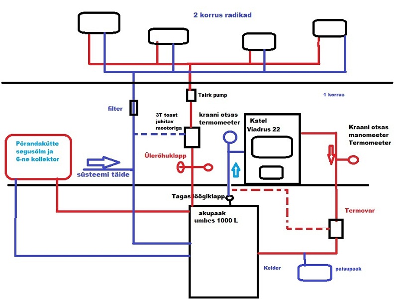
Ei hakanud uut teemat tegema, kuid küsimusi on palju. Hetkel on mul siis 2 tuba pioneeri pliidi taga kinnises süsteemis ja 150 L akupaak ka järel. ja ülejäänud maja kütan ahjudega(2 tk) Tahan siis ehitada korraliku katlamaja eeskoridori külge, ehk et kui suur peaks olemas katlaruum kui arvestada, et akupaak jääks katlaruumi keldrisse ja katel koos torustikuga esimese korruse tasandile, akupaagi juurde saaks läbi põrandas oleva luugi, aga katlamajja ikka eeskoridoris olevast uksest. Tahan panna tahkekütuse katla kuna siiamaani nagunii olen küttepuudega jännanud ja mitte midagi hullu see ei ole aga lihtsalt siiber on, et hommikul toas 18 kraadi ja peale kütmist 24-25. Ahjud on vanad ja väga nagu ei salvesta. Valikusse on jäänud viadrus kuna sõbral majas 450 ruutu ja kütab selle katlaga vägagi hästi ära ja 8 aastat juba, probleeme ei ole olnud. tal ka 2m3 akupaak aga sellel kraan kinni, niiet ei kasuta. Paneb kaks korda õhtu jooksul alla ja väga soe kuni järgmise pealelõunani. Majas vaid radikaküte.
1 küsimus - mis korsten on vajalik viadrus 22 katlale? kas plekk korsten või kivi oma ja oskab keegi ka mõne lingi panna ehk ja mis võib olla maksumus?
2 küsimus - Kas minu joonisel on katla ja akupaagi vahelises süsteemis vajalik peale termovar või mingi samasuguse sõlme, filtri ja manomeetri/termomeetri ka midagi, mis võiks asja paremaks teha ja ehk ka mugavamaks.
3 küsimus - Kas katlast tulevad/lähevad torud akupaaki on enam vähem õigetel kõrgustel, oskab keegi selgitada miks just nii peab olema.
Teise korrusele tuleb mul vaid radika küte ja olen välja arvutanud, et 4 radika peale( 2 tuba), 80 w ruudu peale ja seal on mul 80 ruutu ehk siis vaja oleks 6400w ja siis neljaks, tuleks neli 1600 w radikat. See peaks alumiinium radikate puhul olema 7-8 sektsiooni radika kohta.
Nagu mul joonisel on pandud sinna 3T ventiil, siis kui sellele ühendada elektri ajam ja viia termostaat mis teda juhib sinna teisele korrusele kas see tähendab et ta hakkab siis seal õhuanduri järgi segama vett ja laskma radikatesse? Või õigem oleks panna igale radikale ette veel termoklapp, mis moodi selle termoklapp üldse töötab? ta lihtsalt vähendab vooluhulka radikasse ja sellega alandab temp??
4 küsimus - kas joonisel on akupaagist tulevad/minevad torud radikatesse õigesti paigutatud, ehk siis jälle kas õiged kõrgused ja miks see nii peab olema?
Järgmise osana Põrandakütte sektsioon, kas akupaagist peaks sinna minema otse ilma igasugu vahe osadena segusõlme? Segusõlmes siis nagu aru saan on olemas oma pump ja enam vähem sama põhimõte nagu termovaril. nagu aru saan siis seal peavad veel olema vooluhulga regulaatorid või ei pea? kuidas saab sinna panna mootorid ja siis igasse tuppa andur kust reguleerin temp ja niimoodi reguleerides igat sektsiooni eraldi? On kellelgi kuskil mõni täielik joonis põrandakütte segusõlme ja kollektori tööst kus saaks nooltega näidata erinevad vee liikumised ja klappide tööd? Kas süsteemil mis tuleb akupaagist peaks olema veel eraldi tsirk pump mis paneb vee liikuma segusõlme ja akupaagi vahel? või teeb kogu töö ära segusõlmes olev pump?
5 küsimus - Kuidas on võimalik teha, et kui alustan kütmist ja termovar vaikselt avaneb siis soe vesi läheb juba otse radikatesse mitte ei hakka akupaaki soojendama? ja siis kui hakkab sooja üle jääma siis salvestab selle akupaaki?? millised lisa torud siis tuleks juurde teha ja kuhu? keegi võiks võtta selle joonise ja sinna ise lisada mis vaja?
6 küsimus - kuhu peaks vahele panema tarbvee boileri kütmiseks ühendused, kui panna kahesüsteemne boiler?
7 küsimus - Kas tasuks igaksjuhuks panna akumulatsiooni paaki elektri tennid? Kui võimsad? Saaks ehk vahest öö - elektriga kütta kui mitu päeva kodust ära olla
Kas Lääne- Virumaal oleks mõnda sellist inimest kes viitsiks minuga need süsteemid üle vaadata ja vajadusel ka nõu anda? ja võibolla ka teha korralikum joonis spetsiaalse programmiga kus juba siis ka ära arvutatud vaja minevate osade hulk?
Kas oleks võimalik kusagil näha samamoodi ehitatud süsteemi töötamas?
Kuna ise tegin praeguse väikse keskkütte süsteemi ja kogu maja vee värgi, sõbra majal keskkütte süsteemi õhk-vesi pumbaga ja kogu vee süsteemi siis usun et saaksin ka hakkama ise selle süsteemi kokku kruttimisega. Automaatikast ja termovaridest ei tea kahjuks midagi ja selle jaoks loodangi kuulda häid nõuandeid. Enamus tööriistu ka olemas et torutöid teha.
Lõpuks veel üks küsimus, kas teisele korrusele ja põrandakütte segusõlme minevad trassid võiksid olla 20" alu-pexiga või oleks ikka parem 25"alupex? teisel korrusel siis läheks sellest edasi 16 igasse erinevasse radikasse ja põrandakütte sektsioonid ju ka 16" alupex. Esialgne plaan on valmis teha siis katlamaja,korsten, panna paika akupaak ehituse käigus, paigaldada katel ja tarbevee boiler. Teha torutööd teise korruse radikate jaoks ja paigaldada radikad. esimese korruse põrandakütte kontuuri asukohta vedada ära magistraal ja paigaldada segusõlm ja kolletor. Ehk et põrandakütte kontuurid tulevad hiljem ja selle automaatika. Kas sealt kollektoritest võiks võtta esimesele korrusele ajutiselt radikate jaoks kütte, ehk et need olemas olevad radikad mis praegu on pliidi taga panna seal segusõlmest ajutiselt tööle niikaua kui ükskord esimese korruse põrandad kõik üles võtan ja valuga koos torud põrandasse paigaldan? Hetkel nagunii vaid seal radikates pliidi küte ja maksimum 50 kraadi saan sisse ja kiirelt jahtuvad maha kui pliiti enam ei küta. Seal siis vanad malmradikad.
Loodan et keegi ikka viitsib lugeda ja saab nõuga abiks olla.
Terv, Guldar
Re: Vana süsteemi renoveerimine
Postitatud: 25 Okt 2010, 08:35
Postitas jurok
usr1 kirjutas:Kuigi ehitaksin süsteemi nii, et maja süsteem ja akupaak oleks eraldi süsteem .
Ehk siis kõik mis majast üle jääb läheb akupaaki ning kui katel enam ei küta võtab akupaagist.
Tere oleks tanulik kui annaksite selise süsteemi skeemi

Re: Vana süsteemi renoveerimine
Postitatud: 25 Okt 2010, 11:07
Postitas duplex
See mis katlast kuum vesi välja tuleb saada siis otse tarbimisse ja tarbimisest tagasitulev vesi jookseb akupaaki ning akupaagist katlasse.
Ma mõtlesin ise ka ennem uue keskkütte süsteemi ehitamist selle kuumade radikate varianti peale aga ma olen ka praegusega väga rahul. Soe vesi jõuab isegi praeguse versiooniga üsna ruttu radikatesse ja mis kõige tähtsam, akupaak soojeneb rutem. Möödunud talvel kui sai külmade ilmade puhul kõvasti köetud sain akupaagi tempi üle 80 kraadi. Muidu keskmine temp mõne ahjutäiega jääb 65-75 kraadi ringi. Mässige akupaak villa ning fooliumi sisse. Mida tihedamalt ja paksema villaga akupaak pakitud on seda paremini sooja hoiab. Mina olen 1000 liitrisega rahul, kui õhtul kütan siis ennem järgmise päeva lõunani on veel radikad soojad. Kui oleks 2000 liitrine oleks kindlasti juba raskem akupaaki sellistele temperatuuridele kütta samas ehk soe kestaks kauem ka.
Millest ma tunnen enda küttesüsteemi juures puudust on see, et võiks olla vastavalt vee temperatuurile pumba kiirus. Et kui vesi seal läheb +100 kraadi siis pump lülitub kõige kiirema reziimi peale ja lööb rutem akupaagi soojaks. Kui vesi jaheneb lülitab pump tagasi madalamale kiirusele, et katel jõuaks läbiminevat vett piisavalt soojendada.
Re: Vana süsteemi renoveerimine
Postitatud: 25 Okt 2010, 11:58
Postitas dumbuser
duplex kirjutas:
Millest ma tunnen enda küttesüsteemi juures puudust on see, et võiks olla vastavalt vee temperatuurile pumba kiirus. Et kui vesi seal läheb +100 kraadi siis pump lülitub kõige kiirema reziimi peale ja lööb rutem akupaagi soojaks. Kui vesi jaheneb lülitab pump tagasi madalamale kiirusele, et katel jõuaks läbiminevat vett piisavalt soojendada.
Üldiselt on sellise asja jaoks segusõlm olemas. Siis ei pea pumba kiiruse pärast põdema. Segusõlm segab kokku nii sooja vee, et see katlast läbi minnes on juba õige kraadini kuumaks aetud. Ja akupaak läheb ikkagi sellise kiirusega soojaks nagu katel jaksab kütta. Kuskilt mujalt seda soojust ju võtta pole. See kiiremini minek mida Sa kirjeldad põhjustab aga suhteliselt suuri temperatuurimuutusi katlas, torudes, pumbas jne. Mida vähem neid on või mida väiksema temperatuuride vahega see asi toimub seda lihtsamalt elab süsteem seda üle. Teoreetiliselt peaks kasutusiga tõusma.
Re: Vana süsteemi renoveerimine
Postitatud: 25 Okt 2010, 23:15
Postitas duplex
dumbuser kirjutas:
Üldiselt on sellise asja jaoks segusõlm olemas. Siis ei pea pumba kiiruse pärast põdema. Segusõlm segab kokku nii sooja vee, et see katlast läbi minnes on juba õige kraadini kuumaks aetud. Ja akupaak läheb ikkagi sellise kiirusega soojaks nagu katel jaksab kütta. Kuskilt mujalt seda soojust ju võtta pole. See kiiremini minek mida Sa kirjeldad põhjustab aga suhteliselt suuri temperatuurimuutusi katlas, torudes, pumbas jne. Mida vähem neid on või mida väiksema temperatuuride vahega see asi toimub seda lihtsamalt elab süsteem seda üle. Teoreetiliselt peaks kasutusiga tõusma.
Kasutan termovari termostaati. Alguses töötab väikse ringi peal ja pärast kui temperatuurid on tõusnud on suure ringi peal. Ja sellest pole kasu kui katlas teinekord temperatuur üle 100 läheb. Nii või naa on siis juba akupaagis vesi soojenenud ja vesi jookseb ahju suure ringi peal. Lükkan siis pumba kiiruse 3 peale ja kohe tuntavalt akupaagi vesi soojeneb kiiremini. Muidu töötab pump 2 kiiruse peal, madalamatel kiirustel on efektiivsem vett aeglasemalt katlast läbi lasta kui katla temperatuur madalam on. Pump hakkab tööle ja lülitab välja temperatuuri anduriga. Pumba kiirust võiks ka saada samamoodi vee temperatuuri anduriga reguleerida.
Re: Vana süsteemi renoveerimine
Postitatud: 25 Okt 2010, 23:48
Postitas dumbuser
Mida imet on üldse vaja seda vett seal katlas üle 100 kraadi ajada ?
Re: Vana süsteemi renoveerimine
Postitatud: 26 Okt 2010, 00:12
Postitas duplex
Kütan kivisöega + puit. Kipub vahel üle 100 kraadi ronima.
Re: Vana süsteemi renoveerimine
Postitatud: 26 Okt 2010, 09:28
Postitas dumbuser
No ära siis aja asja nii hulluks. Kokkuvõttes pole ju üldse tähtis, kas see paak läheb sul soojaks 3 tunniga või 4 tunniga. Ise kasutan samasugust kütust ja on ka üle 100 läinud aga edaspidi olen vähem kütet katlasse ajanud. See 100 kraadi tekib alles siis kui tekkivat energiat ei mahu ei majasse ega akupaaki. Muul ajal pole küll mingit jama olnud. Katla õhuklappi krutib katla küljes olev termostaat. Puudega saab ta hakkama aga söe puhul ei kustu midagi, jääb nõrgalt hõõguma. Samas külma akupaagi puhul ei õnnestu mul kuidagimoodi katlasse üle 80 kraadist vett tekitada. Pump ja termovar suudavad asja kontrollida.
Re: Vana süsteemi renoveerimine
Postitatud: 26 Okt 2010, 13:25
Postitas jurok
jurok kirjutas:usr1 kirjutas:Kuigi ehitaksin süsteemi nii, et maja süsteem ja akupaak oleks eraldi süsteem .
Ehk siis kõik mis majast üle jääb läheb akupaaki ning kui katel enam ei küta võtab akupaagist.
Tere jain ikka vastusest ilma sooviks süsteemi skeemi kuna ei saa aru kuidas see töötab siis kui katel külm

Re: Vana süsteemi renoveerimine
Postitatud: 26 Okt 2010, 14:01
Postitas Kalvis
On võimalik selline enam vähem teha. Kuna selline süsteem erineb siin põhiteemaks olnud küttesüsteemiks ja asi oleks segane nagu pudru ja kapsad, ei hakanud vastama. ka ei saanud sulle privaatvastust teha, sest see pole külalise kontole võimalik.
Küttesüsteem on lihtsam, peamine põhimõte on tõesti, et kõigepealt läheb katla väljund üle termoklapi suurde ringi, mille küljes on ka akupaak.
Re: Vana süsteemi renoveerimine
Postitatud: 26 Okt 2010, 18:08
Postitas juroku
Minu skeem ainult akupaaki pole praegust ühendatud

Re: Vana süsteemi renoveerimine
Postitatud: 29 Okt 2010, 15:25
Postitas navigator
Kas siis tõesti ei ole kes minu postitatud küsimusi suudaks lahata? Oleksin väga tänulik.
Samuti on seoses sõbra küttesüsteemi ehitusega tekkinud küsimus, et kui Õhk-vesi soojuspumba küte ja kollektorist on tehtud kahte kohta jagamine, kui panna samasugune segusõlm nagu sinna nagu suurtele ringidele, kas siis ta segab seal veega mis tuleb radikatest tagasi ja laseb siis pumpa soojendamiseks vähem vett?? Tooks see kokkuhoidu? Hetkel siis jookseb kogu vesi läbi pumba ja kütab seda, ja sisselastava ja tagastuva vee temp vahe on vaid 4 kraadi. Tegu radika küttega, arvan et seda liiga vähe ja pumbas olev tsirk pump on reguleeritud kõige aeglasema pöörete peale.
Re: Vana süsteemi renoveerimine
Postitatud: 29 Okt 2010, 19:51
Postitas Kalvis
Ükski segamissõlm ei too kokkuhoidu vaid neid pannakse muudel põhjustel. Põrandakütte puhul vajab viimane leigemat vett ja teinekord katla kaitse.
Re: Vana süsteemi renoveerimine
Postitatud: 29 Okt 2010, 20:46
Postitas Külaline
kas siis see kui ta segamissõlmes laseb süsteemi tagasi tulevast veest suurema osa ja võtab katlast tulevast vaid väikse osa, kas mitte siis ei pea katel tootma vähem kuuma??
Re: Vana süsteemi renoveerimine
Postitatud: 30 Okt 2010, 11:16
Postitas Kalvis
Energia jäävuse seadusest ehk oled kuulnud. Segades kuuma külmaga ei teki energiat juurde ei millestki ega kao ei kuhugi. Kuid üllatav on et tavainimesed nii hullumoodi eksivad selle vastu. Just tavaelus.
Re: Vana süsteemi renoveerimine
Postitatud: 30 Okt 2010, 12:14
Postitas dumbuser
Sama siin, no ei jaksa ära imestada kuidas igasugu lollustega lagedale tullakse. Enam ei imesta kah. Lihtsalt masendus tekib.
Re: Vana süsteemi renoveerimine
Postitatud: 30 Okt 2010, 12:40
Postitas navigator
Äkki siis targad ja kõiketeadjad tuletavad meelde "tavainimestele" seda seadust ja ei hakka kohe kõike lollusteks tituleerima. Usun, et ka teie teete omad elus suht palju asju mis teistele tunduvad"lollustena". See on arusaadav, et juurde energiat ei teki? Mille jaoks siis öeldakse et radika kütte süsteemi jaoks on kõige parem temp vahe 15-20 kraadi ja mille jaoks on siis seal segusõlm vahel??